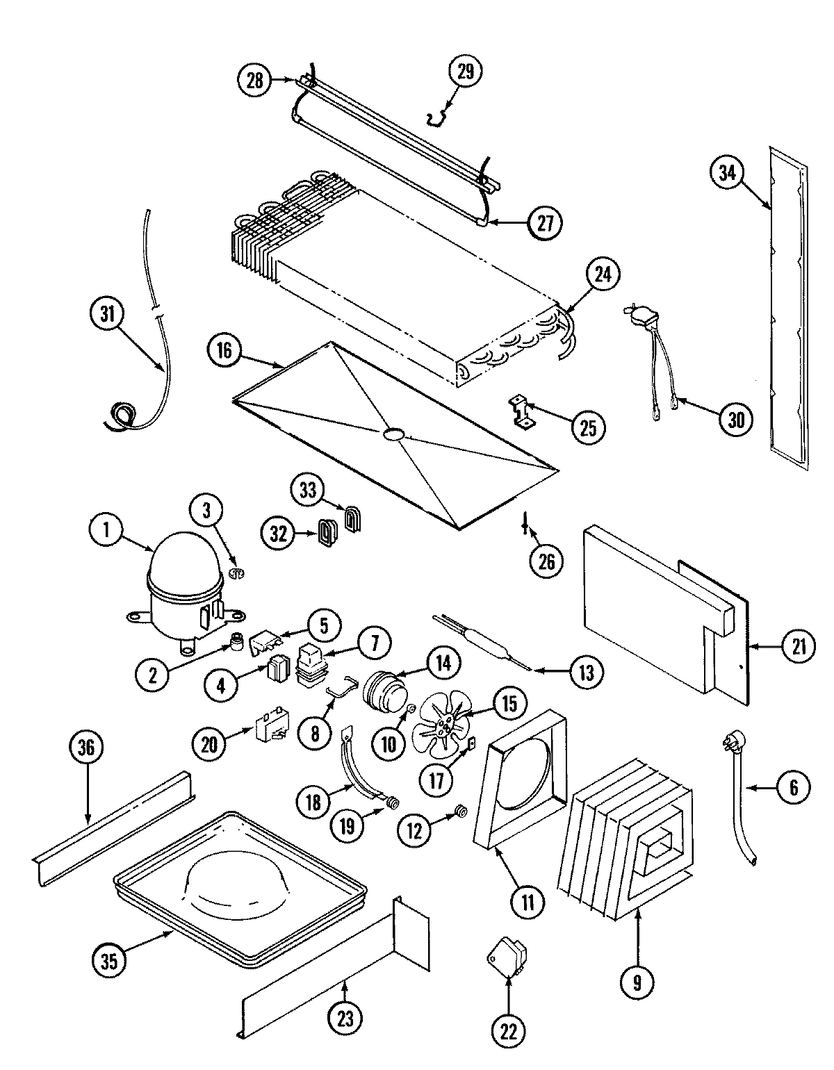
RB214AFV 10 – UNIT COMPARTMENT & SYSTEMadmin2025-04-26T09:11:49+00:00RB214AFV 10 – UNIT COMPARTMENT & SYSTEM ProductsPositionProduct1MAY RA10322MAY 17245-43MAY 62165-14WP10097202 Whirlpool Refrigerator Start Device54388953 Whirlpool Overload Relay6MAY 52890-37MAY 69754-18MAY 59596-19MAY 414001-19MAY 60434-39MAY 60408-210MAY 69063-111MAY 6100120512MAY 53351-113MAY 1390014MAY 68445-114MAY 65275-3315WP12587601 Whirlpool Refrigerator Condenser Blade16MAY 69118-217WP486692 Whirlpool Refrigerator Nut18MAY 69181-119MAY 56933-120WP65889-4 Whirlpool Refrigerator Capacitor21WP488729 Whirlpool Refrigerator Door Screw21MAY 66338-422MAY 405007-122WP68233-2 Whirlpool Refrigerator Defrost Timer23MAY 66493-123WP489478 Whirlpool Refrigerator Screw24MAY 69822-725MAY 60108-226MAY 26397-927WP60106-35 Whirlpool Defrost Heater Assembly28MAY 60109-529MAY 68935-130MAY 52085-3331MAY 6100104231MAY 65013-2232MAY 60068-133MAY 60069-134MAY 70162-234MAY 65275-5034MAY 60177-434MAY 6100113636MAY 400014-136MAY 108568-236MAY 60555-236MAY 60555-1