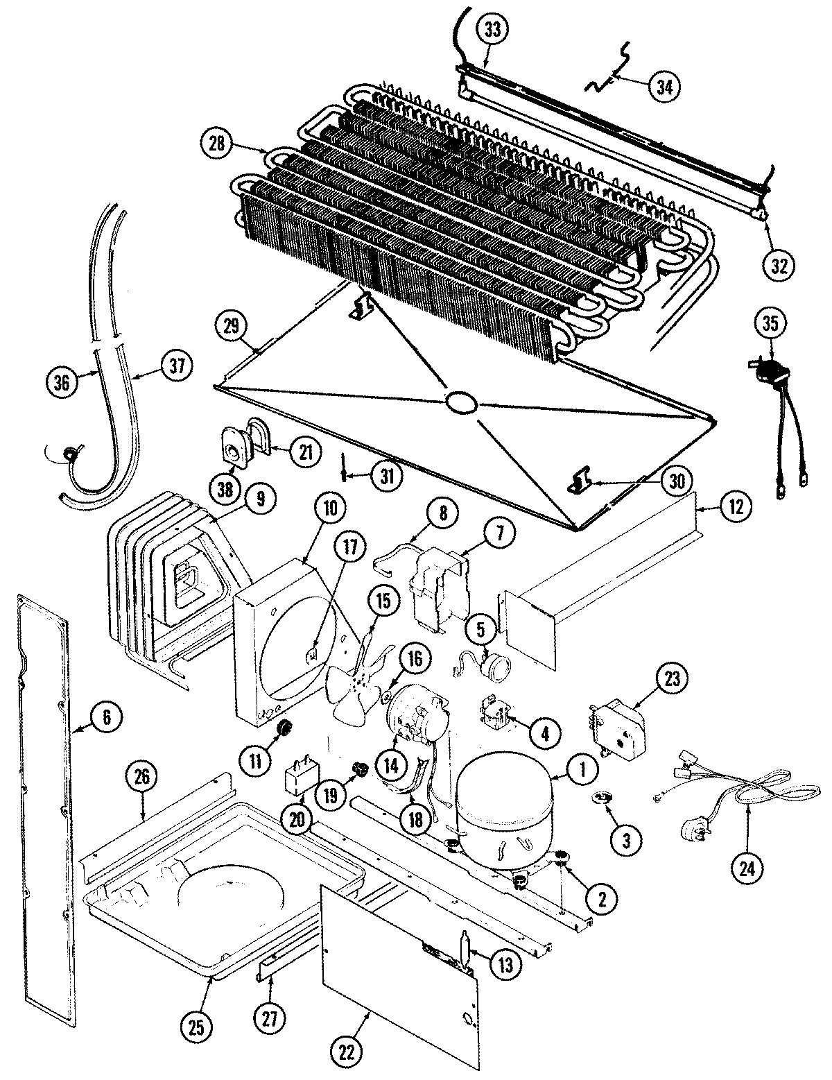
RB214PA 08 – UNIT COMPARTMENT & SYSTEMadmin2025-04-26T09:08:24+00:00RB214PA 08 – UNIT COMPARTMENT & SYSTEM ProductsPositionProduct1MAY RA1032-12MAY 17245-43MAY 62165-13MAY 414011-14WP10097202 Whirlpool Refrigerator Start Device54388953 Whirlpool Overload Relay6MAY 60110-27MAY 69754-18MAY 59596-19MAY 60408-19MAY 60434-310MAY 66228-111MAY 53351-112MAY 66493-113MAY 1390014MAY 408015-114MAY 68445-115WP12587601 Whirlpool Refrigerator Condenser Blade16MAY 69063-117MAY 19914-118MAY 69181-119MAY 56933-120WP65889-4 Whirlpool Refrigerator Capacitor21MAY 60069-122WP488729 Whirlpool Refrigerator Door Screw22MAY 66338-423MAY 405007-123WP68233-2 Whirlpool Refrigerator Defrost Timer24MAY 52890-226MAY 60555-127MAY 60555-228MAY 69822-729MAY 69118-230MAY 60108-231MAY 26397-932WP60106-35 Whirlpool Defrost Heater Assembly33MAY 60109-534MAY 68935-135MAY 52085-3336MAY 65013-2237MAY 65398-137MAY 66223-138MAY 60068-138WP489478 Whirlpool Refrigerator Screw38MAY 108568-138MAY 60177-238MAY 69292-2