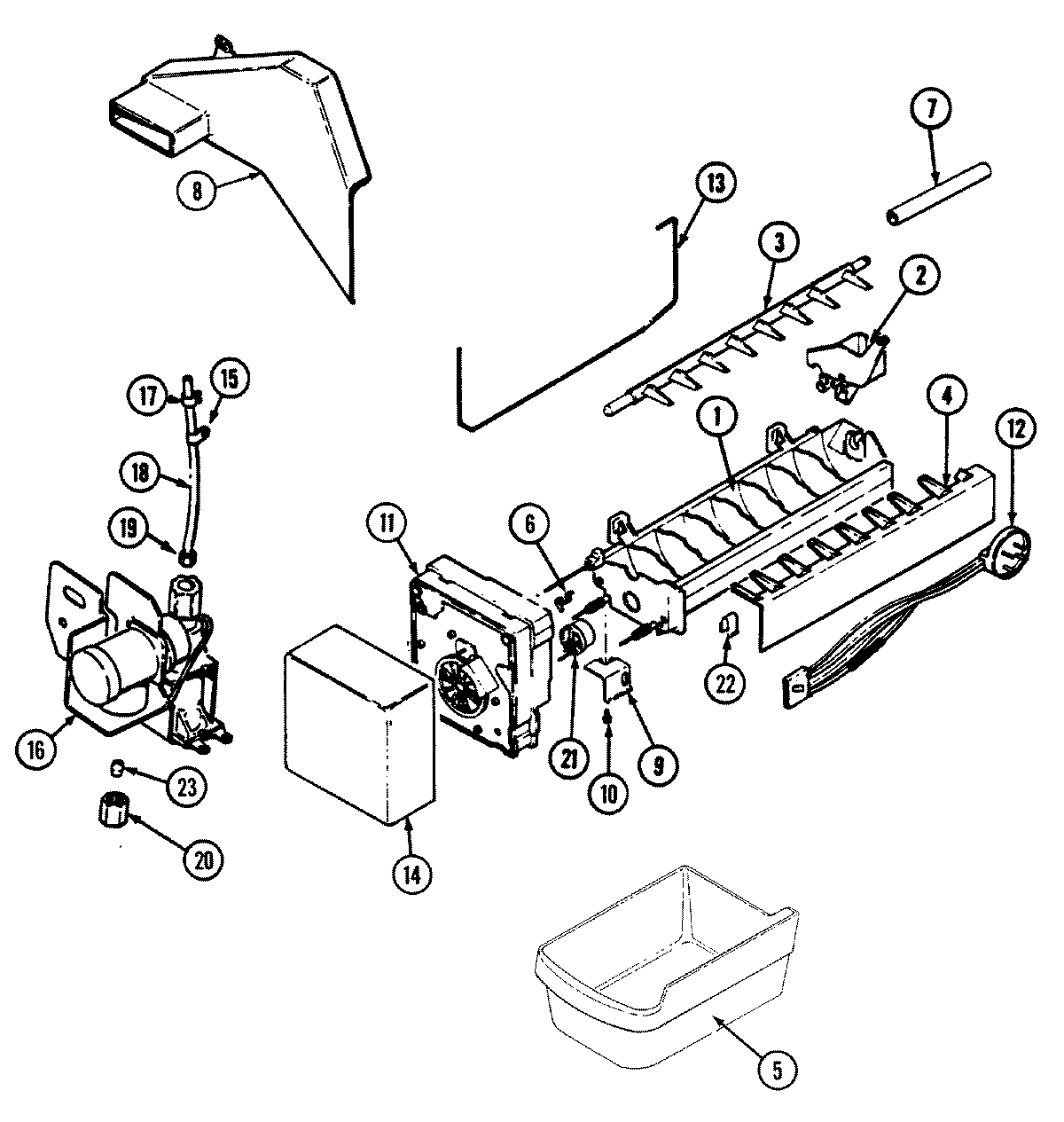
RB214TFM 06 – ICE MAKER