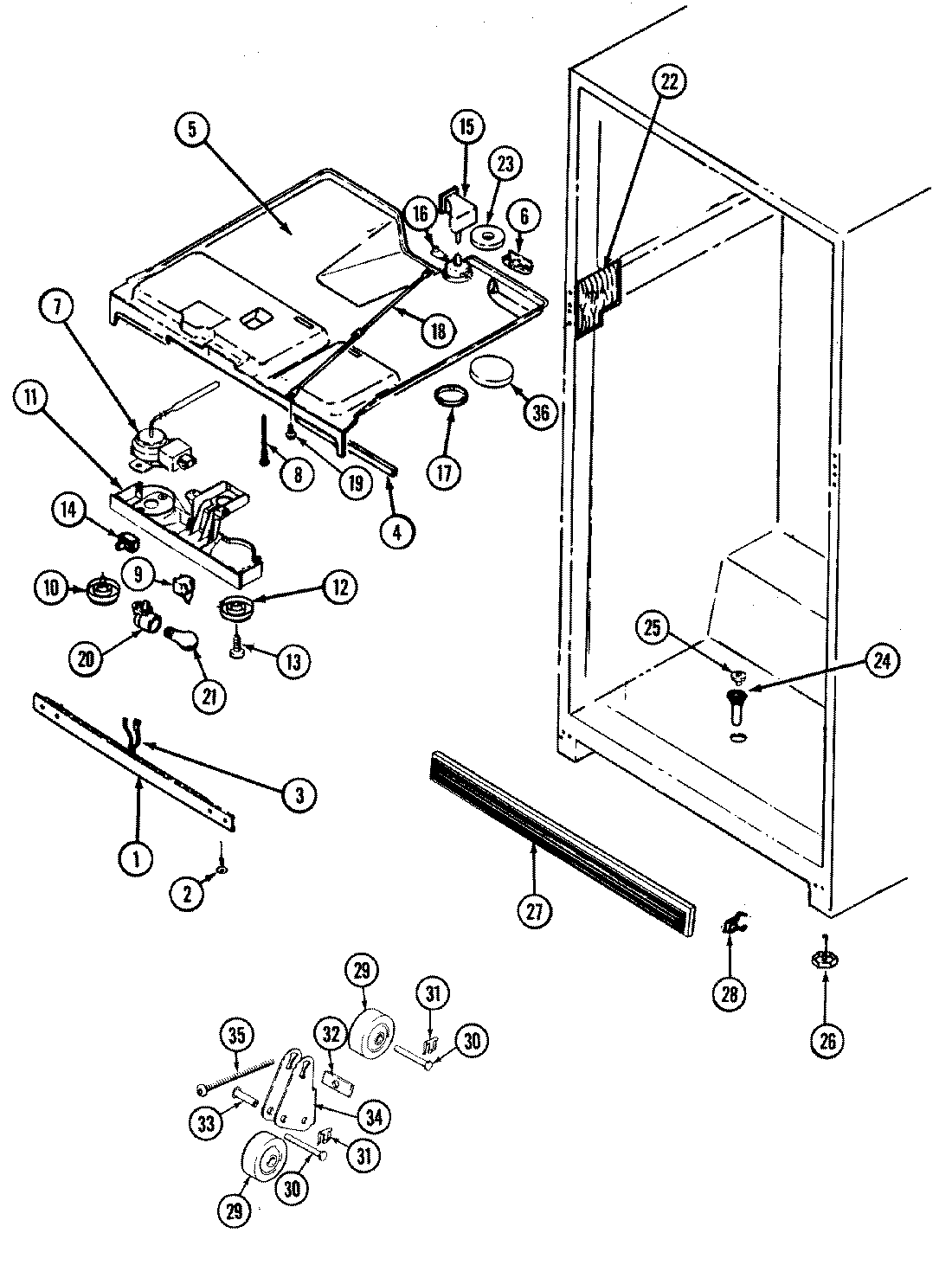
RB234RDV 03 – FRESH FOOD COMPARTMENTadmin2025-04-26T09:04:29+00:00RB234RDV 03 – FRESH FOOD COMPARTMENT ProductsPositionProduct1MAY 69420-3-WW2MAY 65275-543MAY 68577-23MAY 69617-34MAY 70123-14MAY 70117-35MAY 69411-16MAY 69623-17MAY 406013-17MAY 68601-38MAY 65275-789W11384469 Whirlpool Door Switch10MAY 69417-711MAY 69421-211MAY 405012-112WP61006073 Whirlpool Refrigerator Control Knob13MAY 405016-3514MAY 69283-115MAY 69811-116MAY 67636-117MAY 67493-118MAY 69418-419MAY 65275-1319MAY 420005-120MAY 68974-321MAY 68123-122MAY 69416-122MAY 69416-223MAY 68989-124MAY 54531-825MAY 65039-126W11117769 Whirlpool Refrigerator Leveler27MAY 68980-928WP489478 Whirlpool Refrigerator Screw28MAY 60100-129MAY 69812-130MAY 29835-231MAY 60216-132MAY 59101-133MAY 64965-134MAY 67530-13571003131 Whirlpool Oven Screw36MAY 69037-1