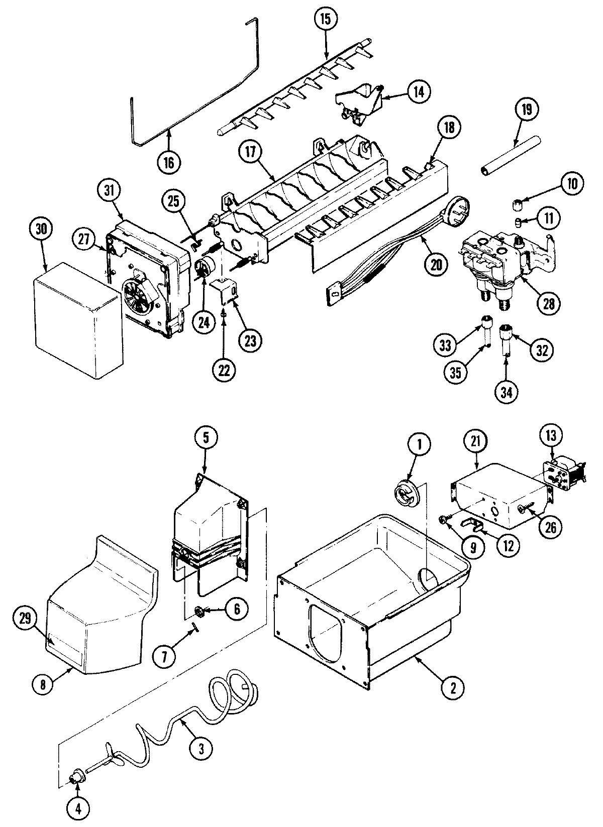
RB234TDV 05 – ICE MAKER & BINadmin2025-04-26T09:04:53+00:00RB234TDV 05 – ICE MAKER & BIN ProductsPositionProduct1WP61003336 Whirlpool Refrigerator Drive Ring2MAY 67831-13MAY 67833-14MAY 67172-25MAY 67832-16MAY 67834-27MAY 492007-7038MAY 69875-68415013-35 Whirlpool Refrigerator Screw9MAY 406026-10310WP245183 Whirlpool Nut11WP487627 Whirlpool Refrigerator Sleeve12WP63052-2 Whirlpool Refrigerator Impeller1312001773 Whirlpool Refrigerator Primary Auger Motor Y Assembly13MAY 67701-114WP628356 Whirlpool Refrigerator Fill Cup15WP627843 Whirlpool Refrigerator Ejector Arm16W11342242 Whirlpool Refrigerator Ice Level Arm17D7824706Q Whirlpool Refrigerator Ice Maker Assembly18WP2182124 Whirlpool Refrigerator Stripper Arm19MAY 67666-220MAY 70076-121MAY 67347-122MAY 95108-123BRACKET, MODULE & HEATER24WP627985 Whirlpool Icemaker Cycling Thermostat24MAY 95093-125WP2315522 Whirlpool Refrigerator Clip26MAY 400026-3627MAY 400021-127MAY 95109-128MAY 401018-128MAY 28272-628MAY 6100102129MAY 69874-230MAY 68328-231SCREW31WP2195914 Whirlpool Refrigerator Ice Maker Housing32MAY 69583-233WP627018 Whirlpool Refrigerator Nut34MAY 67187-1335W10833902 Whirlpool Refrigerator Clamp35SCREW35MAY 67579-7