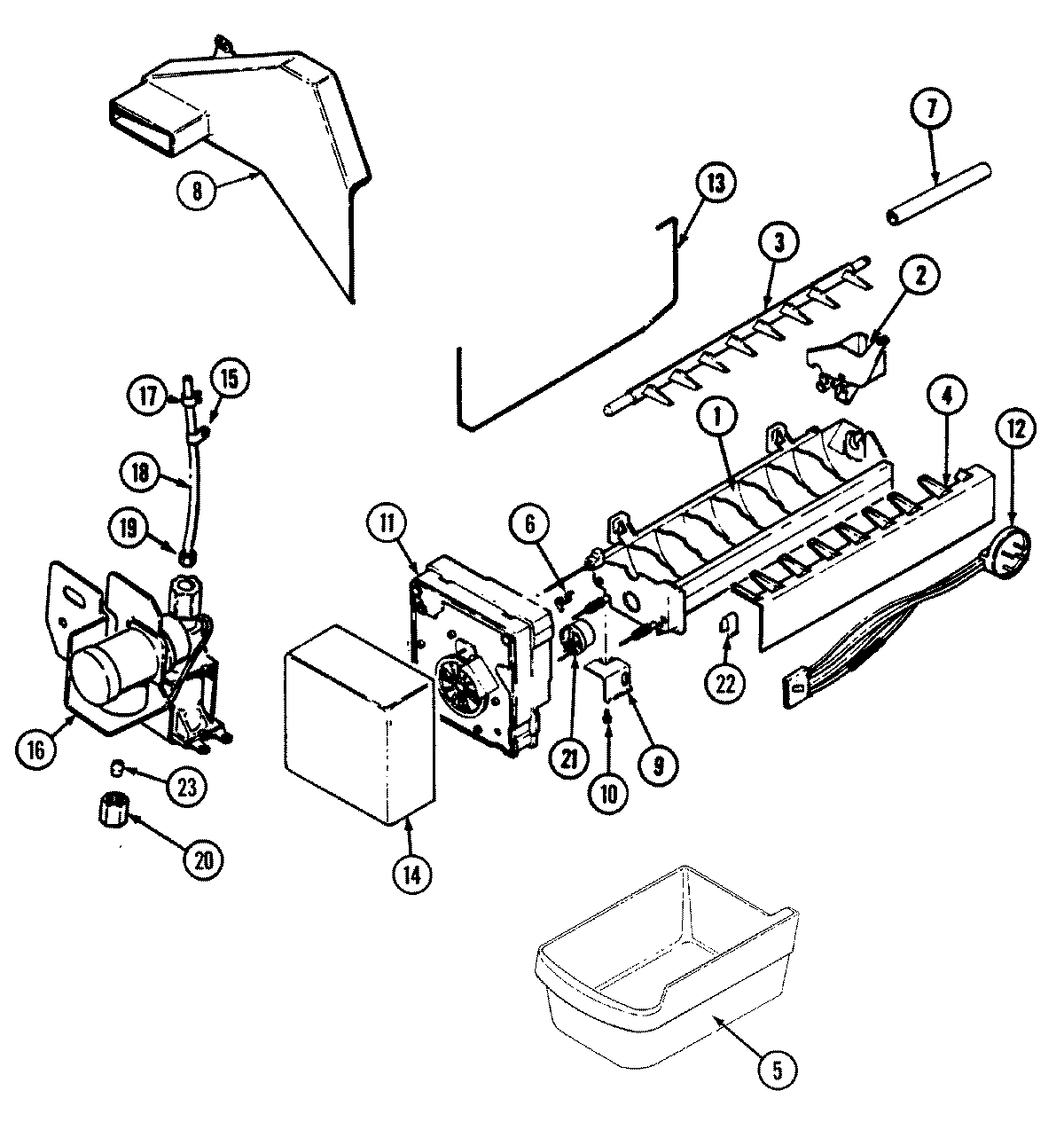
RB234TM 06 – OPTIONAL ICE MAKER KITadmin2025-04-26T09:04:42+00:00RB234TM 06 – OPTIONAL ICE MAKER KIT ProductsPositionProduct1WP99003172 Whirlpool Silicone L1D7824706Q Whirlpool Refrigerator Ice Maker Assembly2WP628356 Whirlpool Refrigerator Fill Cup3WP627843 Whirlpool Refrigerator Ejector Arm4WP2182124 Whirlpool Refrigerator Stripper Arm5MAY 60653-16WP2315522 Whirlpool Refrigerator Clip7MAY 67666-88MAY 400026-368MAY 70198-29BRACKET, MODULE & HEATER10MAY 95108-111WP2195914 Whirlpool Refrigerator Ice Maker Housing11SCREW11MAY 95109-111MAY 400021-112MAY 70076-113MAY 68112-114MAY 68328-215MAY 65275-5015W10833902 Whirlpool Refrigerator Clamp16MAY 69364-116MAY 401018-117WPM0114003 Whirlpool Microwave Speed Clip Clamp18MAY 67579-719WP627018 Whirlpool Refrigerator Nut20WP245183 Whirlpool Nut21WP627985 Whirlpool Icemaker Cycling Thermostat21MAY 95093-122MAY 68118-123WP487627 Whirlpool Refrigerator Sleeve