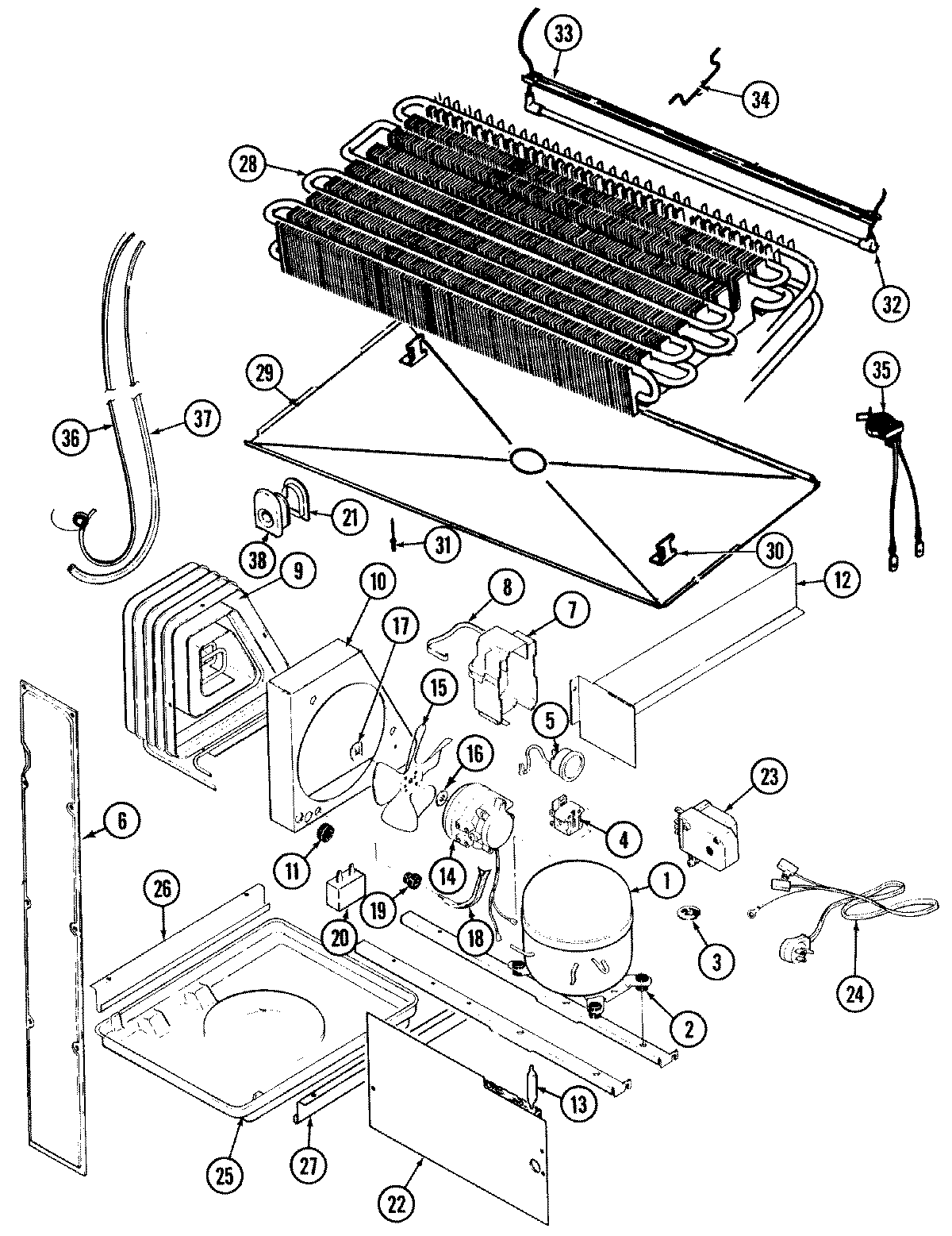
RB234TV 06 – UNIT COMPARTMENT & SYSTEMadmin2025-04-26T09:04:10+00:00RB234TV 06 – UNIT COMPARTMENT & SYSTEM ProductsPositionProduct1MAY RA10322MAY 17245-43MAY 52778-23MAY 414011-14WP10097202 Whirlpool Refrigerator Start Device54388953 Whirlpool Overload Relay6MAY 60110-27MAY 69754-18MAY 59596-19MAY 60434-39MAY 60408-210MAY 66228-111MAY 53351-112MAY 66493-113MAY 1390014MAY 408015-114MAY 68445-314MAY 6100156215WP12587601 Whirlpool Refrigerator Condenser Blade16MAY 69063-117MAY 19914-118MAY 69181-119MAY 56933-120WP65889-4 Whirlpool Refrigerator Capacitor21MAY 60069-122WP488729 Whirlpool Refrigerator Door Screw22MAY 66338-423MAY 405007-123WP68233-2 Whirlpool Refrigerator Defrost Timer24MAY 52890-226MAY 60555-127MAY 60555-228MAY 69822-829MAY 69118-330MAY 60108-231MAY 26397-932MAY 60106-3633MAY 60109-634MAY 68935-135MAY 52085-3336MAY 65013-2237MAY 66223-137MAY 65398-138MAY 60068-139MAY 70162-239MAY 60177-439WP489478 Whirlpool Refrigerator Screw39MAY 6100156140MAY 108568-2