RB747G*J1

RB747G*J1

Products

PositionProduct
1GEN WB62X5244
1GEN WB62X5245
1GEN WB62X5241
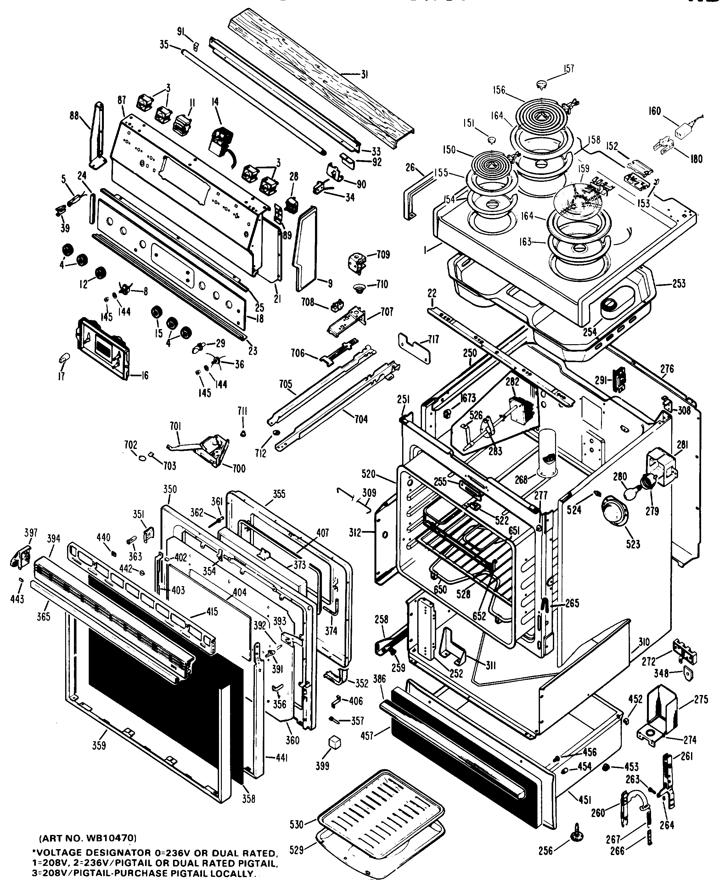
3WB21X36771 GE Surface Element Switch
4GEN WB03X5482
5NEON LAMP 118V
5GEN WB02X3468
8GEN WB24X5081
9GEN WB07X5493
9GEN WB07X5492
11GEN WB22X5100
12GEN WB03X0422
14GEN WB24X0176
14GEN WB02X6274
15GEN WB03X5544
16WB19X10006 GE Oven Clock
17GEN WB3X459
18GEN WB02X3232
18GEN WB02X5594
18GEN WB36X5481
18GEN WB02X6240
21GEN WB49X5146
23GEN WB07X5500
24GEN WB07X5502
25GEN WB07X5501
26GEN WB07X5481
26GEN WB07X5480
28GEN WB24X5011
29GEN WB03X5486
31GEN WB07X6720
33GEN WB02X6228
34GEN WB08X0188
36GEN WB24X5048
39SURFACE LIGHT BRACKET
87GEN WB61X5941
87GEN WB61X5944
87GEN WB61X5945
88GEN WB02X6226
88GEN WB02X6225
88GEN WB02X6224
89GEN WB02X5593
90GEN WB02X6230
90GEN WB02X6231
91GEN WB02X6227
92GEN WB02X6229
144GEN WB01X0588
145NUT-KNURLED TRIM
150WB30M1 GE Oven Range Cooktop Burner Unit 6 Inch
151GEN WB32X0052
152GEN WB02X2018
153CLIP INSULATOR
154GEN WB32X5051
155WB31X5013 GE Oven 6" Chrome Trim Ring
156WB30M2 GE Oven Range Stove Cooktop Burner Unit 8 Inch
157GEN WB32X0051
158WB32X5060 GE Oven 8" Gray Pan 8 7/16" DIA
159GEN WB30X0346
163GEN WB32X5053
164GEN WB31X5012
180WB17X5113 GE Oven Cooktop Burner Receptacle Kit
250GEN WB02X3229
251GEN WB56X6054
252GEN WB02X6768
253GEN WB49X5149
254BODY VENT
255GEN WB07X0552
256GEN WB01X5516
258GUIDE DRAWER LH
258GUIDE DRAWER RH
259SLIDE GUIDE
260HINGE LEVER ASM RH & LH
261GEN WB10X5090
261GEN WB10X5091
263GEN WB02X6195
264RING RETAINING
265GEN WB02X6342
266HOOK DOOR SPRING
267SPRING DOOR
268GEN WB29X5012
272WB17X5095 GE Black Oven Terminal
274BRACKET KNOCKOUT
275GEN WB02X6655
276GEN WB49X5161
277SWITCH, OVEN LIGHT
279GEN WB08X0191
280RANGE ONLY 40W 120V APPL BULB
281GEN WB02X3466
282GEN WB24X5138
283GEN WB02X3163
283GEN WB02X3164
291BALLAST
303WB36X192 GE Oven Light Cover
308GEN WB02X6185
308GEN WB02X6184
309GEN WB02X6767
310GEN WB49X5156
311GEN WB02X6187
312GEN WB49X5221
312GEN WB49X5222
348PLATE GROUND
350GEN WB55X5
350INSULATION DOOR