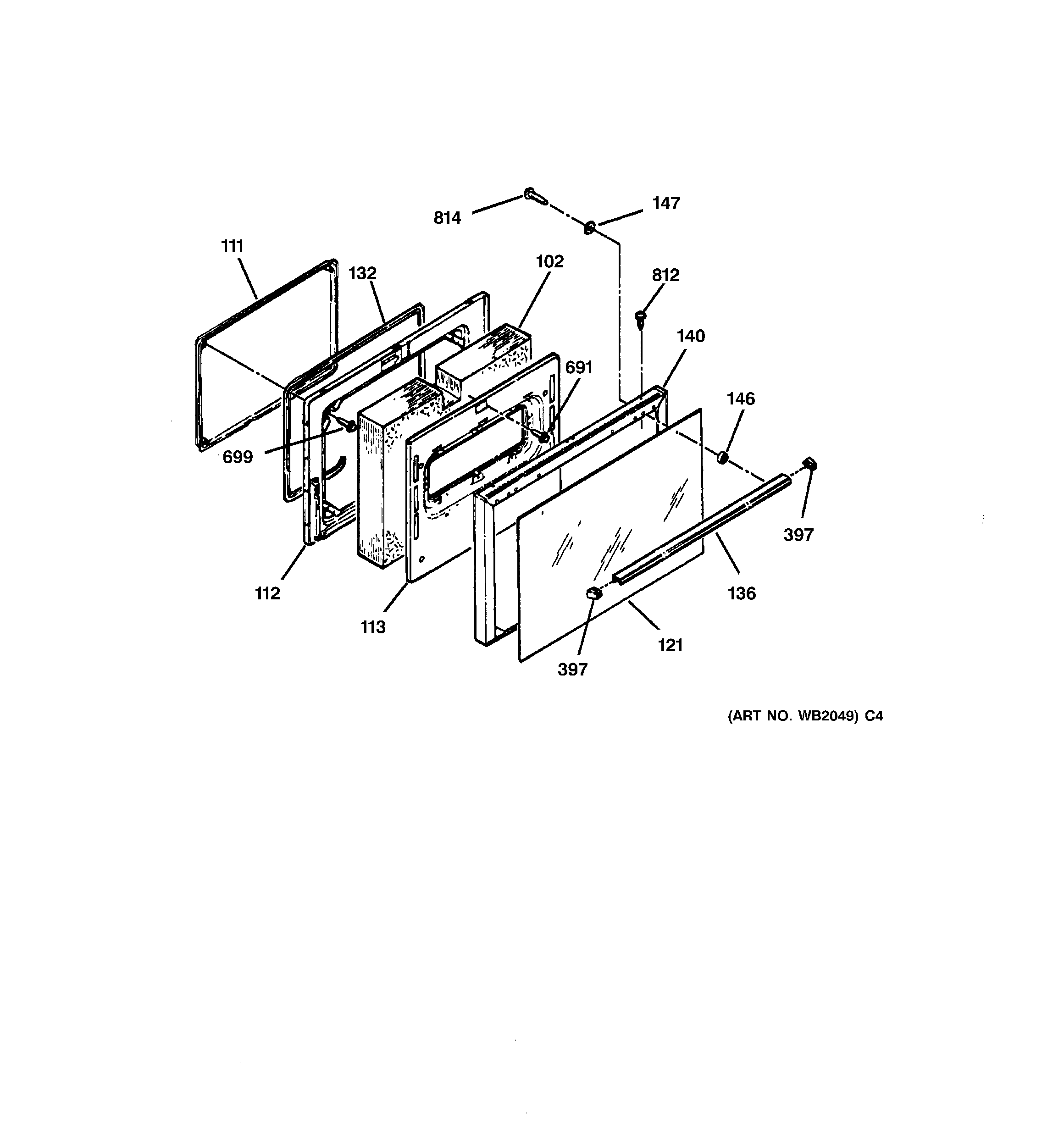
| 102 | OVEN DOOR INSULATION |
| 111 | GEN WB55T10004 |
| 112 | GEN WB55T10003 |
| 113 | GEN WB02M0036 |
| 121 | GEN WB57K5214 |
| 132 | WB2K5319 GE Oven Door Gasket |
| 136 | GEN WB15K5090 |
| 140 | GEN WB56K5136 |
| 146 | UNKNOWN |
| 147 | GEN WB02K5312 |
| 397 | GEN WB07K5338 |
| 397 | GEN WB07K5339 |
| 691 | WB1K5169 GE Trim Screw 10-16 X 3/8" White |
| 699 | WB1M1 GE Oven Screw |
| 812 | WB1K5191 GE Oven Zinc FL Screw |
| 814 | WB1X1258 GE Oven Screw |