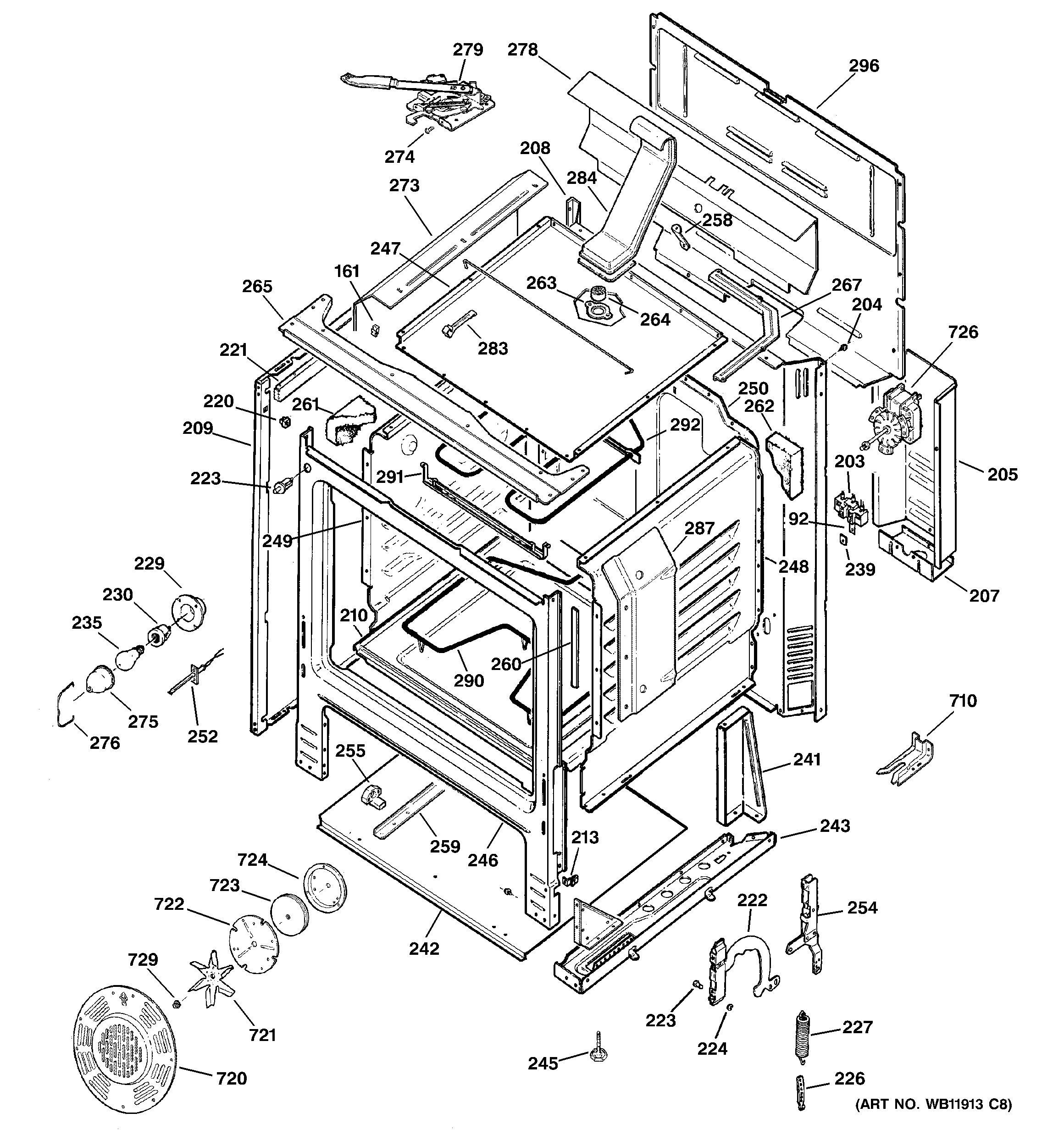
| 92 | GEN WB02T10030 |
| 161 | RETAINER-INSULATION |
| 203 | WB17X5095 GE Black Oven Terminal |
| 204 | WB1K5062 GE Oven Screw |
| 204 | WZ4X345D GE Screw Package 12 C92 |
| 205 | WB34K10029 GE Oven Guard Terminal |
| 207 | WB02K10029 GE Oven Mounting Terminal Bracket |
| 208 | GEN WB62K10045 |
| 209 | GEN WB63K10025 |
| 210 | WB63K10006 GE Oven Bottom Assembly |
| 213 | WB1K3 GE Oven Speed Nut |
| 220 | GEN WB02K0008 |
| 221 | CLIP WINDOW |
| 222 | WB10K12 GE Oven Hinge Assembly |
| 223 | WB24T10147 GE Oven SPDT Light Switch |
| 223 | GEN WB02X6195 |
| 224 | RING RETAINING |
| 226 | GEN WB09K10001 |
| 227 | GEN WB09K0005 |
| 229 | GEN WB08K0001 |
| 230 | WB08T10026 GE Range Push-In Receptacle |
| 235 | RANGE ONLY 40W 120V APPL BULB |
| 239 | GEN WB01X5968 |
| 239 | PLATE GROUND |
| 242 | GEN WB63K10009 |
| 243 | WB63K10232 GE Oven Support Base |
| 243 | WB63K10233 GE Oven Support Base |
| 245 | WB02X10521 GE Oven Leveling Leg |
| 246 | GEN WB63K10024 |
| 247 | WB63K10023 GE Oven Top |
| 248 | GEN WB63K10010 |
| 249 | GEN WB63K10011 |
| 250 | GEN WB53K10010 |
| 252 | SENSOR ASM |
| 254 | GEN WB10K0014 |
| 254 | GEN WB10K0013 |
| 254 | GEN WB01K0053 |
| 255 | WB02K10158 GE Oven Drawer Support |
| 258 | WB02K10040 GE Oven Vent Bracket |
| 259 | WB39K16 GE Oven Drawer Rail |
| 260 | WB32K2 GE Oven Gasket Seal |
| 261 | GEN WB35K10011 |
| 262 | GEN WB35K10020 |
| 262 | GEN WB35K10021 |
| 263 | WB02K10039 GE Vent Ring |
| 264 | GEN WB35K10018 |
| 264 | WB35K10019 GE Vent Gasket |
| 265 | GEN WB34K10044 |
| 267 | WB02K10038 GE Corner Brace |
| 273 | GEN WB53K0012 |
| 273 | GEN WB53K0011 |
| 274 | GEN WB01K0044 |
| 275 | WB36X192 GE Oven Light Cover |
| 276 | WB2K27 GE Oven Bail |
| 279 | GEN WB02K10146 |
| 283 | WB02X21679 GE Oven Wire Clip |
| 284 | GEN WB38K10003 |
| 290 | WB30X46987 GE Bake Element |
| 291 | WB02K10028 GE Oven Broil Support |
| 292 | WB30X46986 GE Broil Element |
| 296 | GEN WB34K10031 |
| 710 | WB02K10254 GE Oven Anti-Tip Bracket Assembly |
| 720 | FAN COVER FRONT |
| 721 | WB2X8351 GE Oven Blade Fan |
| 722 | WB34K10038 GE Oven Fan Cover Back |
| 723 | WB35K10013 GE Fan Insulation |
| 724 | WB02K10034 GE Range Fan Support |
| 726 | WB26K10004 GE Oven Convection Fan Motor |
| 729 | WB02T10017 GE Oven Nut |