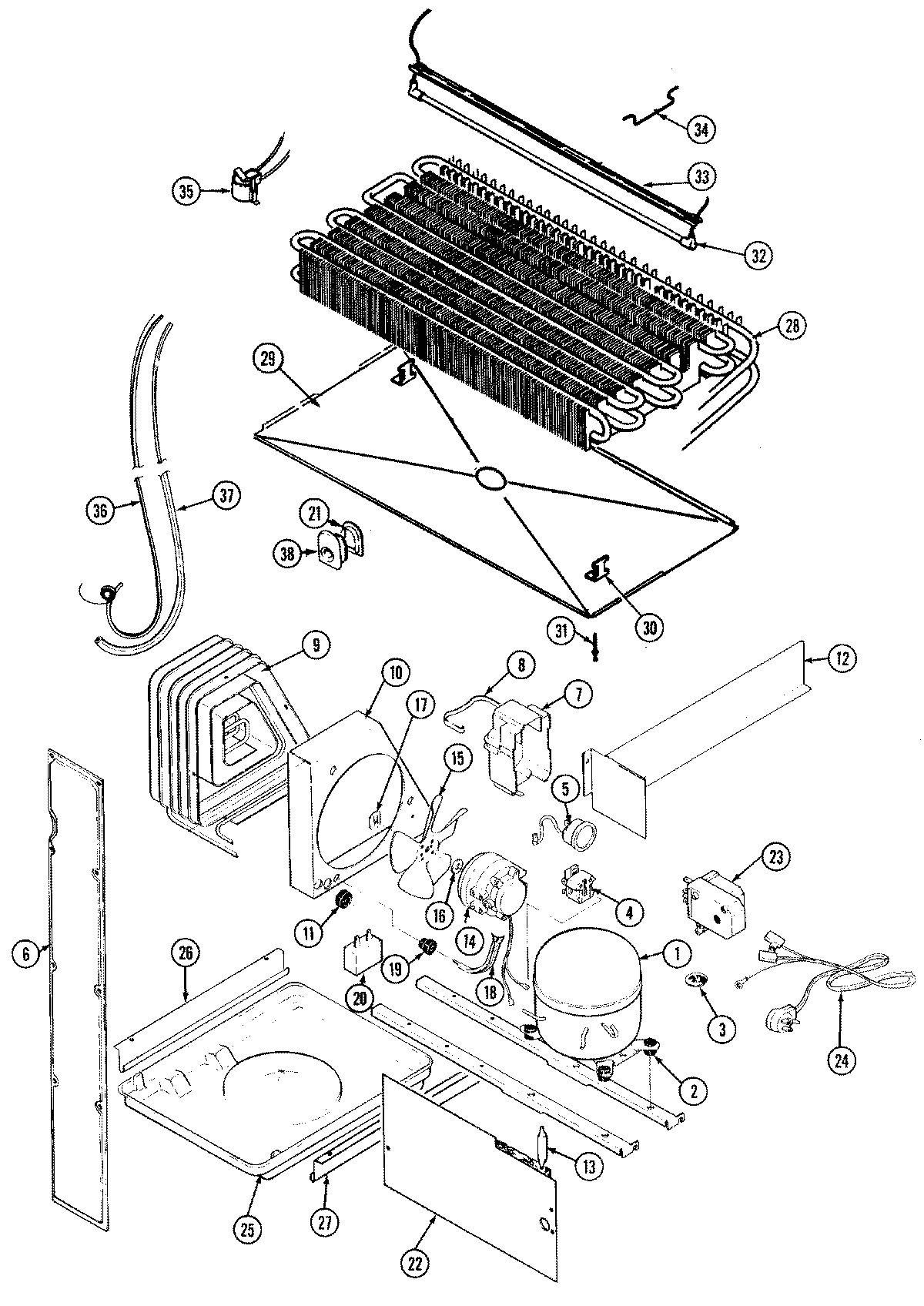
RBE170TV 06 – UNIT COMPARTMENT & SYSTEMadmin2025-04-26T09:04:36+00:00RBE170TV 06 – UNIT COMPARTMENT & SYSTEM ProductsPositionProduct1MAY 120000552MAY 17245-43MAY 414011-13MAY 62165-14WP10097202 Whirlpool Refrigerator Start Device5MAY 69105-126MAY 60110-26MAY 65275-507MAY 69754-18MAY 59596-19MAY RA43871-19MAY 60408-110MAY 66228-111MAY 53351-112MAY 66493-113MAY 1390014MAY 68445-314MAY 408015-114MAY 6100156215WP12587601 Whirlpool Refrigerator Condenser Blade16MAY 19913-417MAY 19914-018MAY 69181-119MAY 56933-120WP2262343 Whirlpool Refrigerator/Freezer Capacitor21MAY 60069-121MAY 60177-421MAY 6100156621MAY 70164-122WP488729 Whirlpool Refrigerator Door Screw22MAY 66338-323MAY 405007-123MAY 68233-124MAY 52890-226MAY 60555-127WP489478 Whirlpool Refrigerator Screw27MAY 60555-228MAY 69822-129MAY 69118-130MAY 60108-231MAY 26397-932WP60106-34 Whirlpool Refrigerator Heater33MAY 60109-434MAY 68935-135WP52085-28 Whirlpool Thermostat36MAY 66223-136MAY 65013-437MAY 65398-138MAY 60068-139MAY 108340-2