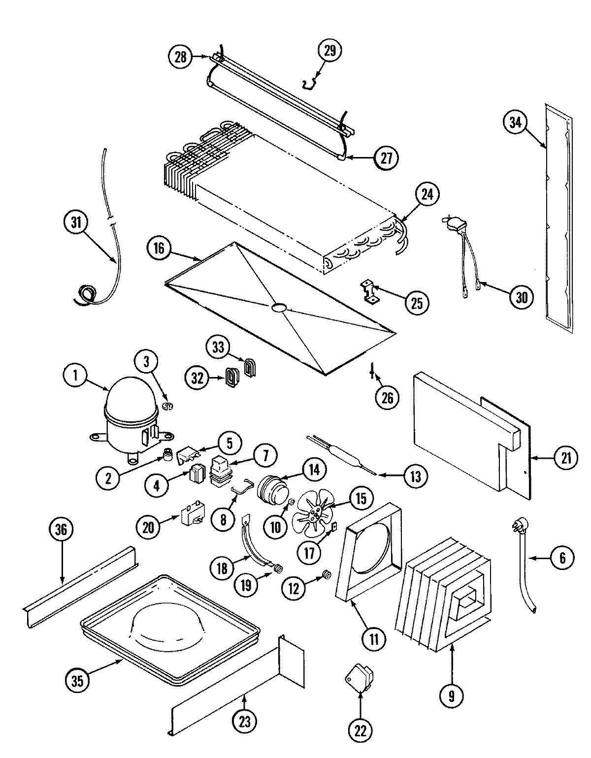
RBE214TFM 10 – UNIT COMPARTMENT & SYSTEMadmin2025-04-26T09:04:10+00:00RBE214TFM 10 – UNIT COMPARTMENT & SYSTEM ProductsPositionProduct1MAY 120000562MAY 17245-43MAY 52778-23MAY 414011-14WP10097202 Whirlpool Refrigerator Start Device54388953 Whirlpool Overload Relay6MAY 52890-27MAY 69754-18MAY 59596-19MAY 60408-29MAY 60434-310MAY 19913-411MAY 66228-112MAY 53351-113MAY 1390014MAY 408015-114MAY 68445-115WP12587601 Whirlpool Refrigerator Condenser Blade16MAY 69118-217MAY 19914-118MAY 69181-119MAY 56933-120WP65889-4 Whirlpool Refrigerator Capacitor21MAY 66338-421WP488729 Whirlpool Refrigerator Door Screw22MAY 405007-122WP68233-2 Whirlpool Refrigerator Defrost Timer23MAY 66493-124MAY 69822-725MAY 60108-226MAY 26397-927WP60106-35 Whirlpool Defrost Heater Assembly28MAY 60109-529MAY 68935-130MAY 52085-3331MAY 65398-131MAY 65013-2232MAY 60068-133MAY 60069-134MAY 60110-236MAY 60555-236WP489478 Whirlpool Refrigerator Screw36MAY 60555-137MAY 66223-138MAY 60177-439MAY 70162-240MAY 108568-2