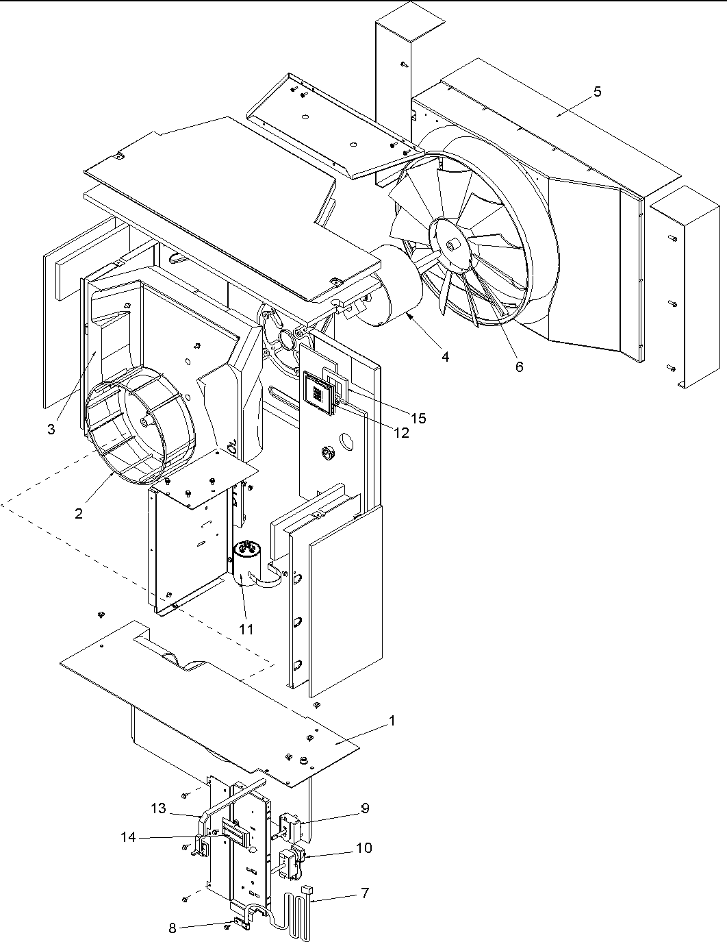
RC12090C2D 02 – Fan and Control Assyadmin2025-04-26T09:01:51+00:00RC12090C2D 02 – Fan and Control Assy ProductsPositionProductNIMAY 3093200S1MAY BT30100042MAY BT13680023MAY BT30060054MAY BT13400035MAY BT30110026MAY BT10867067MAY BT12100048MAY BT13934009MAY BT137080310MAY BT137080111MAY BT945700412MAY BT307610013MAY BT307621914MAY BT307630215MAY BT1392611