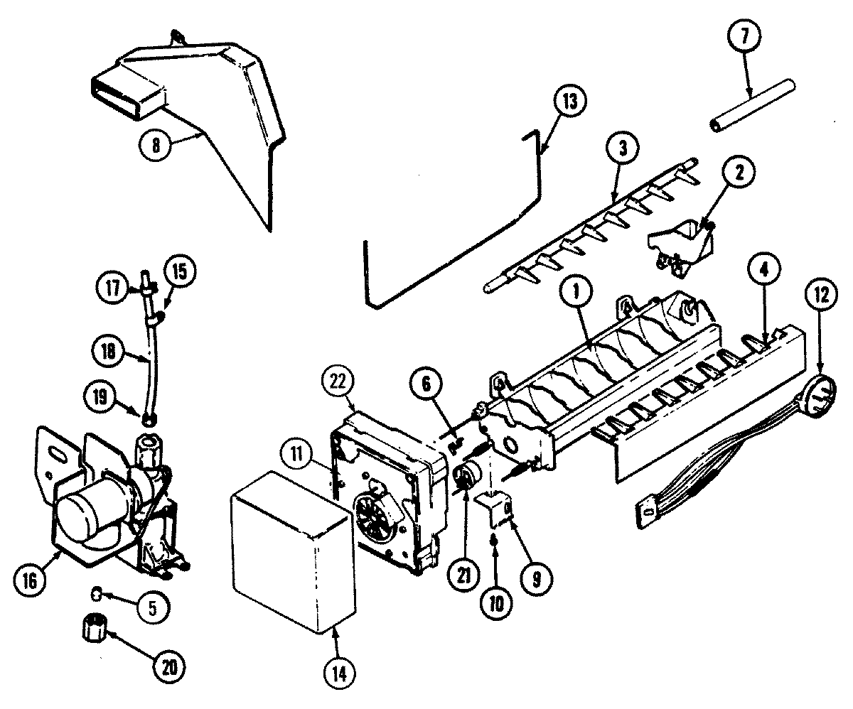
RC202TV 03 – OPTIONAL ICE MAKER KIT (ICE)