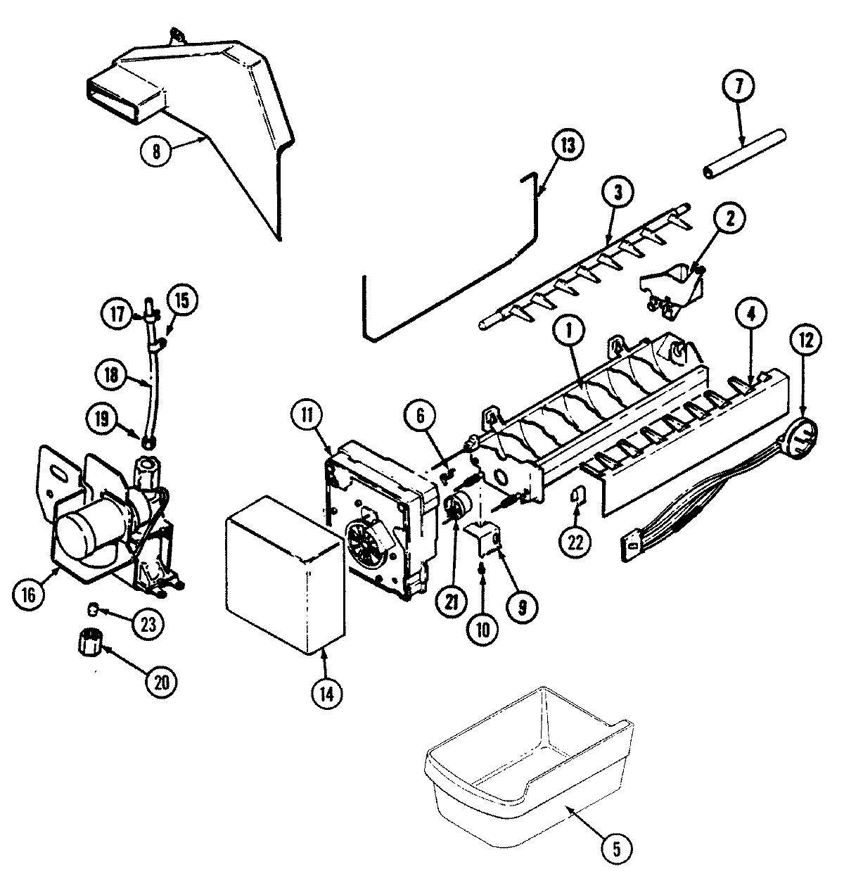
RC223TM 05 – OPTIONAL ICE MAKER KIT (ICE)admin2025-04-26T09:33:53+00:00RC223TM 05 – OPTIONAL ICE MAKER KIT (ICE) ProductsPositionProduct1WP99003172 Whirlpool Silicone L1D7824706Q Whirlpool Refrigerator Ice Maker Assembly2WP628356 Whirlpool Refrigerator Fill Cup3WP627843 Whirlpool Refrigerator Ejector Arm4WP2182124 Whirlpool Refrigerator Stripper Arm5WP67001255 Whirlpool Ice Bucket6WP2315522 Whirlpool Refrigerator Clip7MAY 67666-18MAY 400026-368MAY 70198-39BRACKET, MODULE & HEATER10MAY 95108-111MAY 95109-111MAY 400021-111SCREW11WP2195914 Whirlpool Refrigerator Ice Maker Housing12MAY 70076-113MAY 68112-114MAY 68328-215W10833902 Whirlpool Refrigerator Clamp15MAY 65275-5016MAY 401018-116MAY 6100101917WPM0114003 Whirlpool Microwave Speed Clip Clamp18MAY 67579-719WP627018 Whirlpool Refrigerator Nut20WP245183 Whirlpool Nut21MAY 95093-121WP627985 Whirlpool Icemaker Cycling Thermostat22MAY 68118-123WP487627 Whirlpool Refrigerator Sleeve