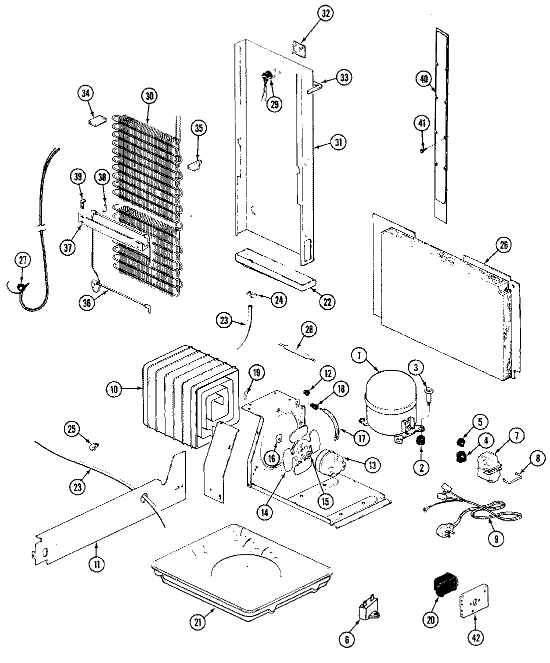
RC223TM 07 – UNIT COMPARTMENT & SYSTEMadmin2025-04-26T09:32:01+00:00RC223TM 07 – UNIT COMPARTMENT & SYSTEM ProductsPositionProduct1MAY 120000581MAY 120000382MAY 17245-43MAY 69062-13MAY 65275-94WP10097202 Whirlpool Refrigerator Start Device4MAY 66588-55MAY 69105-85MAY 69105-36WP65889-4 Whirlpool Refrigerator Capacitor6WPW10662129 Whirlpool Refrigerator Run Capacitor7MAY 66589-27MAY 69754-18MAY 59596-18MAY 65886-19MAY 52890-210MAY 64998-110MAY 60408-211MAY 66494-111WP488729 Whirlpool Refrigerator Door Screw12MAY 53351-113833697 Whirlpool Condenser Fan Motor13MAY 65275-3314WP12587601 Whirlpool Refrigerator Condenser Blade15MAY 19913-216WP486692 Whirlpool Refrigerator Nut17MAY 69181-118MAY 56933-119MAY 57051-120MAY 405007-120WP68233-3 Whirlpool Refrigerator Defrost Timer20MAY 401009-121MAY 45004-2022MAY 53523-123MAY 26911-1824WP596669 Whirlpool Hose Clamp25MAY 53516-526MAY 66339-327MAY 57569-1727MAY 26088-2228MAY 1390029MAY 52085-2930MAY 52551-2131MAY 67297-532MAY 55878-133MAY 66325-1734MAY 65063-135MAY 65064-136MAY 69848-137MAY 29915-1238MAY 52067-139MAY 52561-139MAY 70267-240MAY 66381-142MAY 29282-242WP489478 Whirlpool Refrigerator Screw43MAY 108429-3