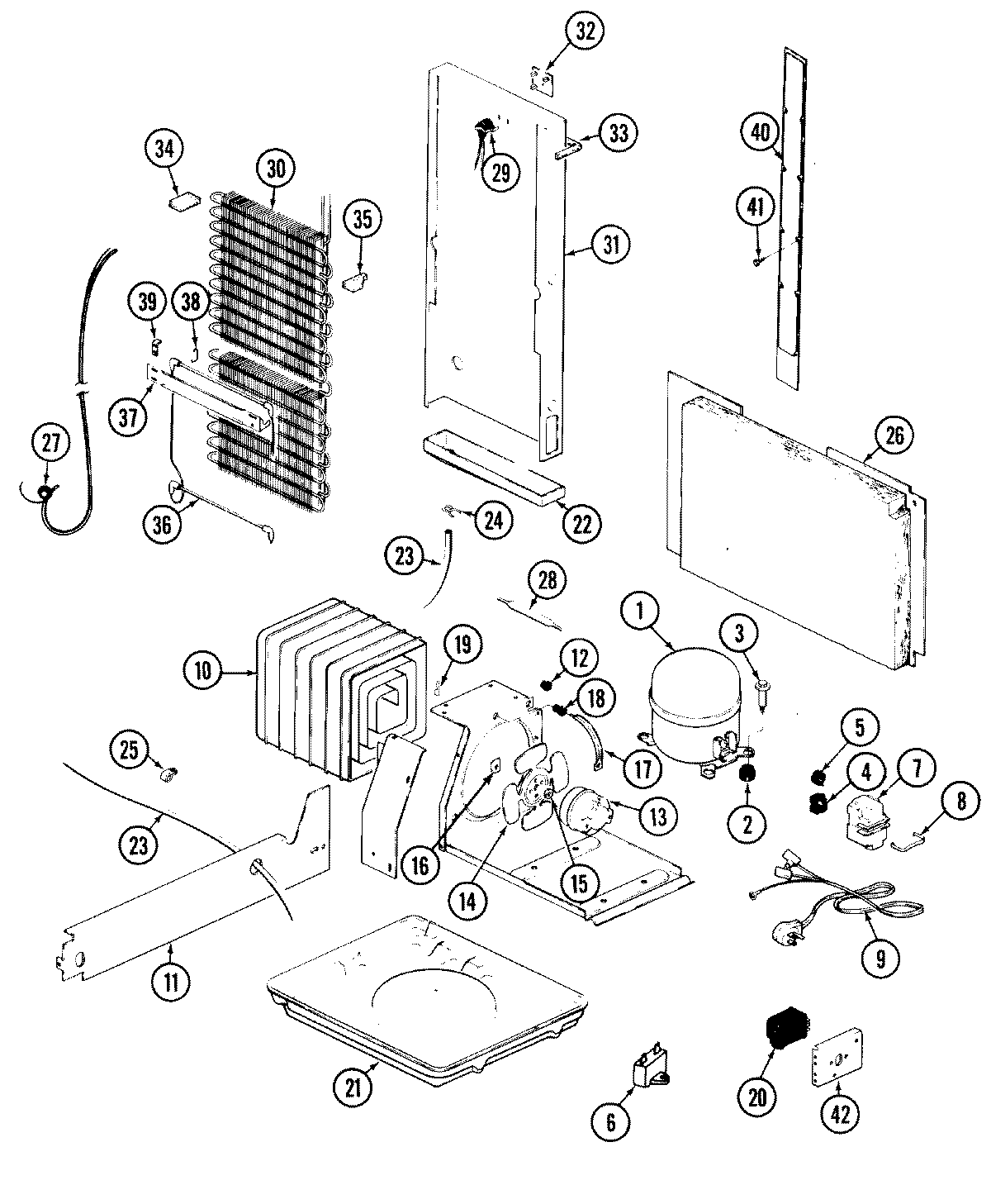
RCE224TDM 08 – UNIT COMPARTMENT & SYSTEMadmin2025-04-26T08:39:07+00:00RCE224TDM 08 – UNIT COMPARTMENT & SYSTEM ProductsPositionProductNIMAY 108429-31MAY 120000582MAY 17245-43MAY 69062-13MAY 65275-94MAY 66588-55MAY 65887-15MAY 69105-86WPW10662129 Whirlpool Refrigerator Run Capacitor7MAY 66589-28MAY 65886-19MAY 52890-210MAY 60408-210MAY 400062-110MAY 64998-111WP488729 Whirlpool Refrigerator Door Screw11MAY 70362-112MAY 53351-113833697 Whirlpool Condenser Fan Motor13MAY 65275-3314WP12587601 Whirlpool Refrigerator Condenser Blade15MAY 19913-216MAY 55042-117MAY 69181-118MAY 56933-119MAY 57051-120WP68233-3 Whirlpool Refrigerator Defrost Timer20MAY 405007-121MAY 68236-122MAY 53523-123MAY 26911-1824WP596669 Whirlpool Hose Clamp25MAY 53516-526MAY 66339-327MAY 65013-1627MAY 26088-2228MAY 1390029MAY 52085-2930MAY 52551-2131MAY 68834-232MAY 55878-133MAY 66325-1834MAY 65063-135MAY 65064-136MAY 69848-137MAY 29915-1338MAY 52067-139MAY 70266-139MAY 52561-140MAY 66381-142MAY 29282-242WP489478 Whirlpool Refrigerator Screw