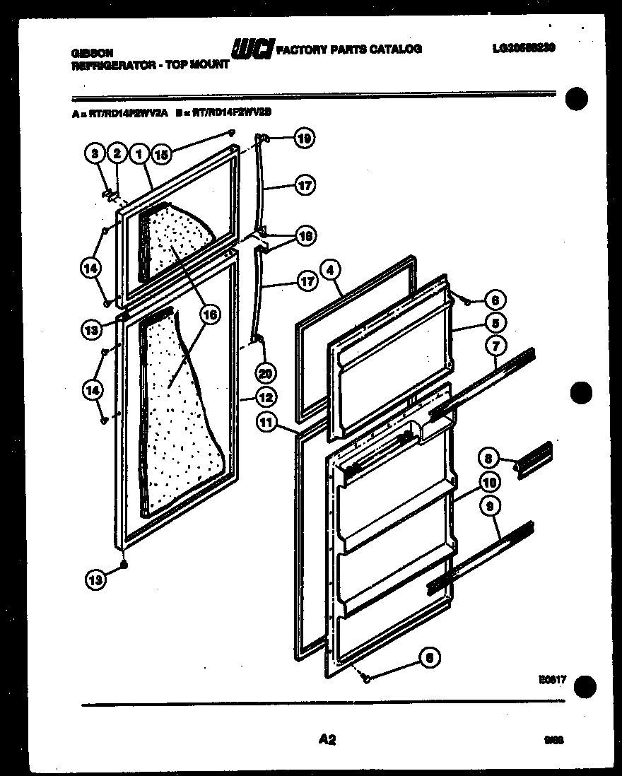
RD14F2WV2A 02 – DOOR PARTS