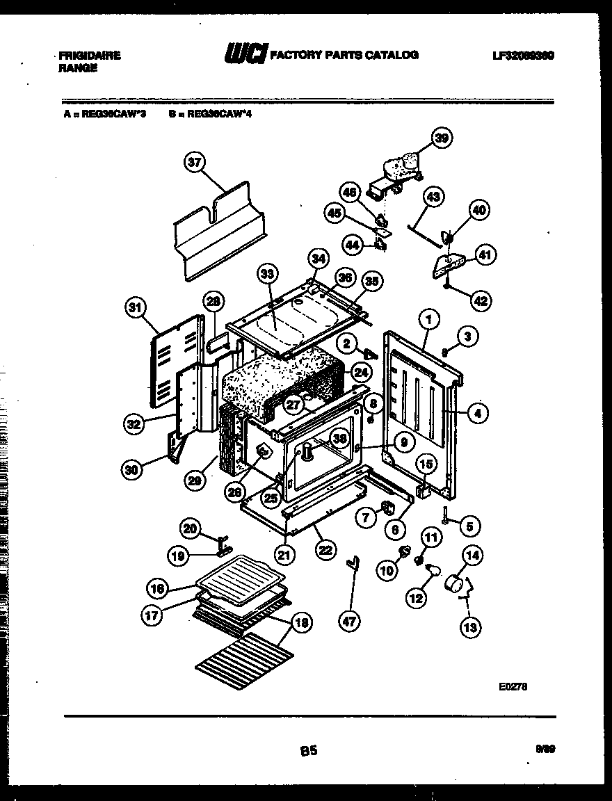
REG36CAA3 07 – BODY PARTSadmin2025-04-26T08:47:14+00:00REG36CAA3 07 – BODY PARTS ProductsPositionProduct*26206ANTI-TIP KIT, (NON-ILLUSTRATED)1AWCI 080125341WCI 080125333BUMPER - COOKTOP (4)4WCI 080122355LEG, LEVELLER (4)6ARAIL, DRAWER LH6WCI 080157467WCI 080031038PLUG BUTTON - OVEN LIGHT HOLE9OVEN LINER10CUP - OVEN LIGHT11316116400 Frigidaire Oven Light Socket12316538904 Frigidaire Oven Lamp Light13WCI 08011087145304524341 Frigidaire Lens15WCI 0801105516GRILLE, BROILER17WCI 320523218ARACK-OFFSET18316067902 Frigidaire Oven Rack195304409888 Frigidaire Oven Terminal Block with Hardware20WCI 0800314621CHANNEL - OVEN SUPPORT LOWER22PNL - BOTTOM22WCI 320357424WCI 305162825WCI 0800314426BRKT-THERMO BULB27WCI K132563628WCI K513450129INSULATION-OVEN BACK30AWCI 301748230WCI 301748131COVER - WIRE32WCI 301753533WCI 0801254233AWCI 0800284734SWITCH - DOOR35WCI 0800744536WCI 0800744437WCI 320609538TUBE-OVEN VENT39MOTOR-LATCH40WCI 0801574441HOUSING-DOOR LATCH42WCI 0801200443WCI 305164944WCI 0800309245WCI 0800309046WCI 300788947WCI 3051810