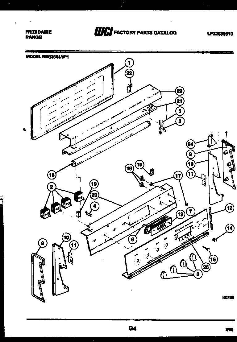
REG38BLL1 02 – BACKGUARD