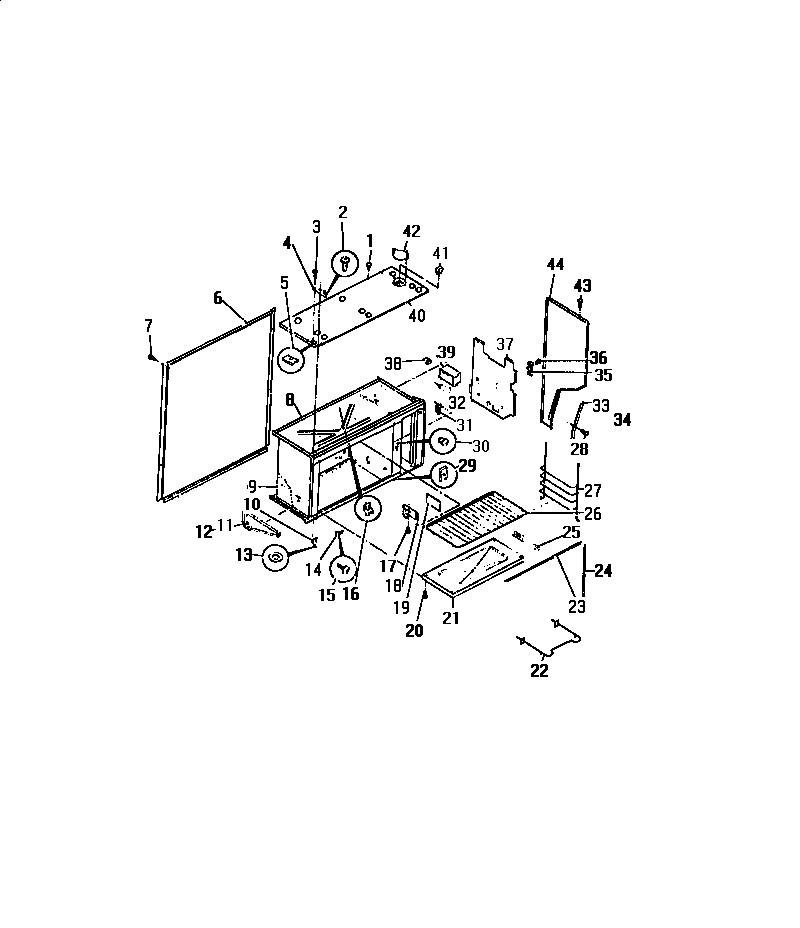
REG638MH5 09 – UPPER OVEN LINER, SHELF, ELEMENTadmin2025-04-26T08:47:08+00:00REG638MH5 09 – UPPER OVEN LINER, SHELF, ELEMENT ProductsPositionProduct2WCI 80116853WCI 80116874WCI 80116865WCI 80116886WCI 801477010WCI 801166311WCI 801478512WCI 801478613WCI 801166414WCI 801166515WCI 801166616WCI 801166718WCI 801166919WCI 801166821WCI 801167322WCI 801166123SEAL, TOP AND BOTTOM24SEAL, SIDE (2)25ANGLE, LEFT AND RIGHT26WCI 801167527WCI 801167428WCI 801039129WCI 801167830WCI 801167931WCI 801168033TRIM, L.H.34TRIM, R.H.35WCI 801168236WCI 801165837WCI 801168138WCI 801168339WCI 801168440WCI 801053741RECEPTACLE REPAIR KIT42COVER43SCREW (2)44EWCI 801054744BWCI 8010544