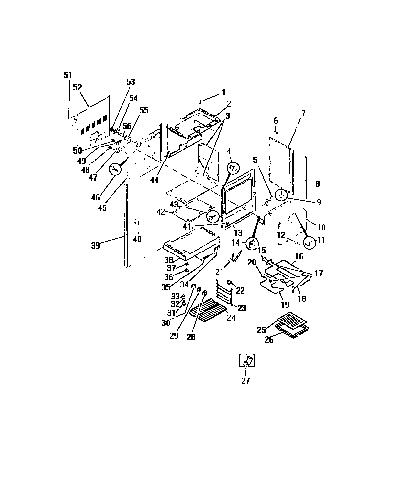
REG638ML7 05 – LOWER OVEN, FRAME, SHELVES, ELEMENTadmin2025-04-26T08:47:22+00:00REG638ML7 05 – LOWER OVEN, FRAME, SHELVES, ELEMENT ProductsPositionProduct1WCI 80147692WCI 80166063WCI 80105753AWCI 80105763BWCI 80105774WCI 80105635WCI 80140916WCI 80105987AWCI 30105467WCI 80105438WCI 80106029WCI 801060310WCI 801661111WCI 801055812WCI 801055613WCI 801662014WCI 801056015WCI 801047116WCI 801047218WCI 801047019WCI 801047420WCI 801047321WCI 801409022WCI 801061223WCI 801660724WCI 801061425WCI 801660826WCI 801661227WCI 801170628WCI 801060929WCI 801061030LENS31WCI 801649332WCI 801060733WCI 801060634WCI 801056735WCI 801056836WCI 801056937WCI 801057038WCI 801649139WCI 801477340WCI 801478441WCI 801250142WCI 801057443WCI 801056544WCI 801058745WCI 801057846WCI 801057947WCI 801058048SCREW (2)49BLOCK50WCI 801048151WCI 801058252WCI 801058353WCI 801058454WCI 801058555WCI 8010586