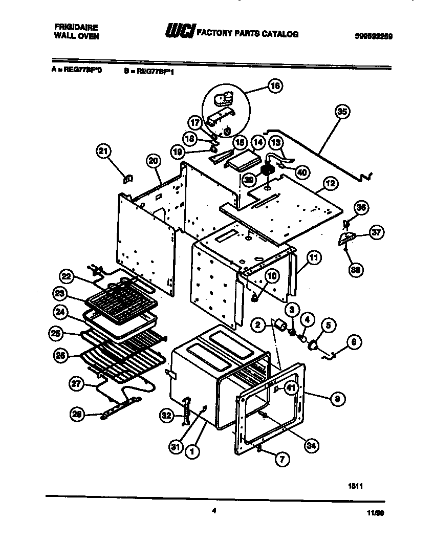
REG77BFB0 04 – BODY PARTSadmin2025-04-26T08:47:18+00:00REG77BFB0 04 – BODY PARTS ProductsPositionProduct*37537WCI 5300009126*37537INSULATION - BACK (NON-ILLUSTRATED)*37537INSULATION-WRAP1WCI 30162692WCI 30162433316116400 Frigidaire Oven Light Socket4316538904 Frigidaire Oven Lamp Light55304524341 Frigidaire Lens6WIRE, GLASS RETAINER7WCI 30190638WCI 301907010WCI 301624511WCI 301627212WCI 301624913WCI 301630114WCI 301629615BRACKET-MOTOR MTG16WCI 530301624217WCI 320211418WCI 305186119SW-DOOR LATCH (2)20WCI 301632021WCI 301628122AWCI 191S018F284225303016247 Frigidaire Broil Element23WCI 301906624WCI 301880825318345216 Frigidaire Oven Rack27318255101 Frigidaire Oven Bake Element28WCI 301624831WCI 320163232WCI 320163134318394803 Frigidaire Oven Switch35WCI 301624136LATCH-DOOR37WCI 301906938AXLE - HINGE (2)39WCI 301630240Clip,insulator41WCI 3202082