| *56161 | INSULATION-WRAP |
| *56161 | WCI 5300009126 |
| *56161 | INSULATION - BACK (NON-ILLUSTRATED) |
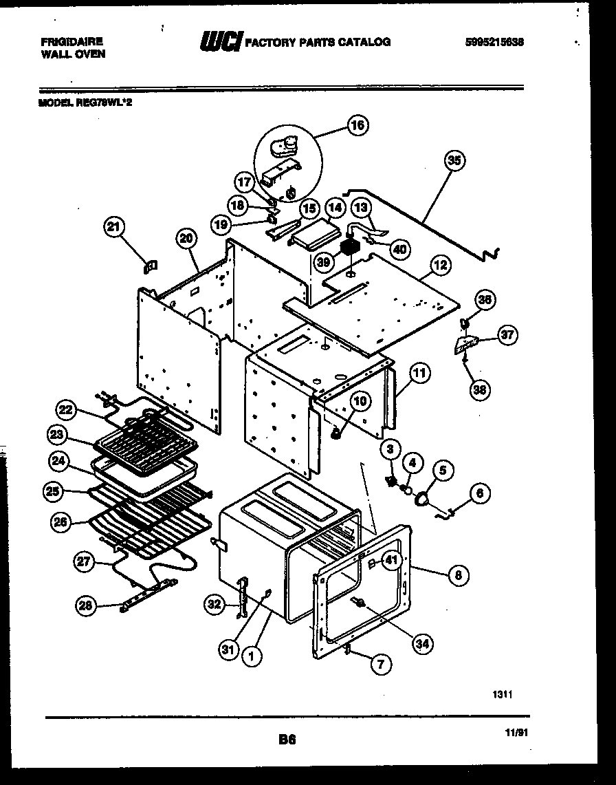
| 1 | WCI 3016269 |
| 3 | 316116400 Frigidaire Oven Light Socket |
| 4 | 316538904 Frigidaire Oven Lamp Light |
| 5 | 5304524341 Frigidaire Lens |
| 6 | WIRE, GLASS RETAINER |
| 7 | WCI 3019063 |
| 8 | WCI 3019070 |
| 10 | TUBE-OVEN VENT |
| 11 | WCI 3016272 |
| 12 | WCI 3016249 |
| 13 | WCI 3016301 |
| 14 | WCI 3016296 |
| 15 | BRACKET-MOTOR MTG |
| 16 | WCI 5303016242 |
| 17 | WCI 3202114 |
| 18 | WCI 08003090 |
| 19 | SWITCH, LOWER |
| 20 | WCI 3016320 |
| 21 | WCI 3016281 |
| 22A | WCI 191S018P284 |
| 22 | 5303016247 Frigidaire Broil Element |
| 23 | GRILLE, BROILER |
| 24 | WCI 3205539 |
| 25 | 318345216 Frigidaire Oven Rack |
| 27 | 318255101 Frigidaire Oven Bake Element |
| 28 | WCI 3016248 |
| 31 | WCI 3201632 |
| 32 | WCI 3201631 |
| 34 | 318394803 Frigidaire Oven Switch |
| 35 | WCI 3016241 |
| 36 | LATCH-DOOR |
| 37 | WCI 3019069 |
| 38 | AXLE - HINGE (2) |
| 39 | WCI 3016302 |
| 40 | Clip,insulator |
| 41 | WCI 3202082 |