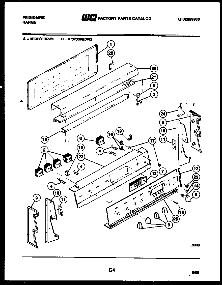
REGS38BDW2 02 – BACKGUARDadmin2025-04-26T11:46:35+00:00REGS38BDW2 02 – BACKGUARD ProductsPositionProduct*13143WCI 32051361WCI 30174702WCI 080170832SWITCH S/U LARGE (2)2WCI 080170793BASE-FLUOR LIGHT STARTER4LIGHT-PILOT S/U4WCI 080170844LIGHT/LAMP, INDICATOR, 250 V5STARTER-FLUOR LIGHT6WCI 080170937WCI 080170878WCI 080157419AWCI 080159749WCI 0801597510SUPPORT RH10ASUPPORT LH11WCI 0801253812TRIM-CONTROL PANEL13WCI 0801709214WCI 0801723815WCI 0801723916WCI 0800338316SWITCH-FLUOR LIGHT & OVEN LIGHT (2)17WCI 0800312518WCI 0801271219RECEPTACLE-LAMP, RH / LH20WCI 0801709121SUPPORT-RECEPTABLE22WCI 0801709023PLATE, INSTUMENT MTG24BRACKET-BACKGUARD, (2)25WCI 0800339626BASE PLATE-CONTROL PANEL