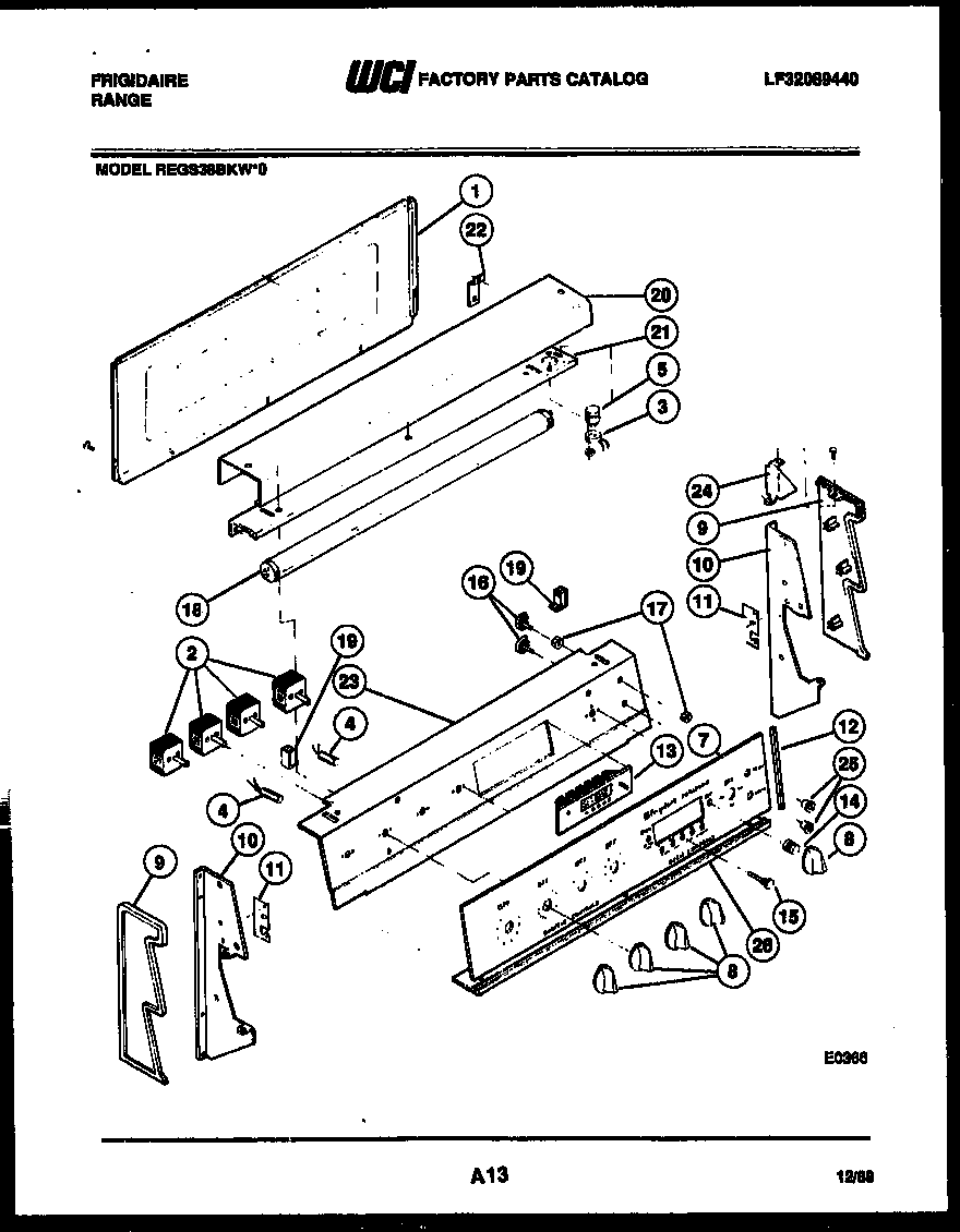
REGS38BKL0 02 – BACKGUARDadmin2025-04-26T11:48:19+00:00REGS38BKL0 02 – BACKGUARD ProductsPositionProduct*28159WCI 32051361WCI 30174702ASWITCH S/U LARGE (2)2WCI 080170792BWCI 080170833BASE-FLUOR LIGHT STARTER4LIGHT-PILOT S/U5STARTER-FLUOR LIGHT7WCI 32052168WCI 080157419WCI 080159759AWCI 0801597410SUPPORT RH10ASUPPORT LH11WCI 0801253812TRIM-CONTROL PANEL13WCI 320521314KNOB ELECT OVEN CONTROL (1)15BUTTON ELECTRONIC (8)16SWITCH-FLUOR LIGHT & OVEN LIGHT (2)17WCI 0800312518WCI 0801271219RECEPTACLE-LAMP, RH / LH20WCI 0801709121SUPPORT-RECEPTABLE22WCI 0801709023PLATE, INSTUMENT MTG24BRACKET-BACKGUARD, (2)25WCI 301630526BASE PLATE-CONTROL PANEL