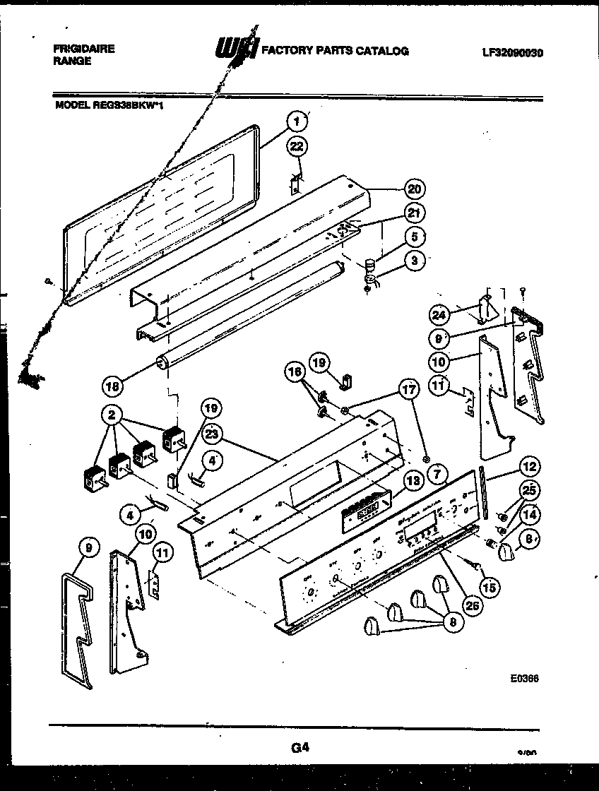
REGS38BKL1 02 – BACKGUARDadmin2025-04-26T11:46:39+00:00REGS38BKL1 02 – BACKGUARD ProductsPositionProduct*10947WCI 32051361COVER, WIRE.2ASWITCH-8`` ELEMENT2BSWITCH-TOP UNIT-AUTO-MED2SWITCH-6`` ELEMENT3BASE-FLUOR LIGHT STARTER4LIGHT-PILOT S/U5STARTER-FLUOR LIGHT7WCI 32052168WCI 53080157419WCI 080159759AWCI 0801597410ASUPPORT LH10SUPPORT RH11BRACKET, HINGE (2)12TRIM-CONTROL PANEL13WCI 320521314KNOB ELECT OVEN CONTROL (1)15BUTTON ELECTRONIC (8)16SWITCH-FLUOR LIGHT & OVEN LIGHT (2)17NUT - HEX FLAT18LAMP-FLUORESCENT, BACKGROUND19RECEPTACLE-LAMP, RH / LH20WCI 0801709121SUPPORT-RECEPTABLE22WCI 0801709023PLATE, INSTUMENT MTG24BRACKET-BACKGUARD, (2)25WCI 530301630526BASE PLATE-CONTROL PANEL