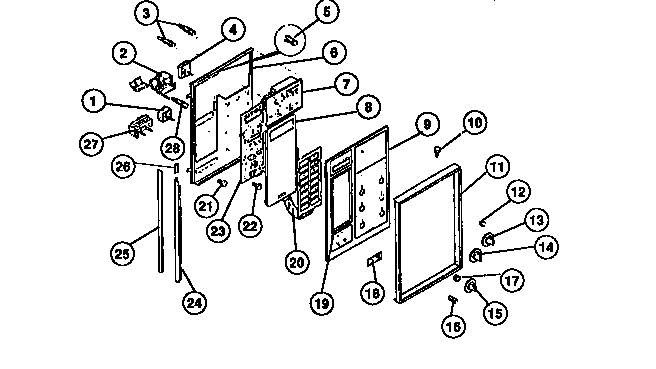
REM638BDW3 11 – UPPER CONTROL PANELadmin2025-04-26T11:46:55+00:00REM638BDW3 11 – UPPER CONTROL PANEL ProductsPositionProduct1WCI 080104182WCI 080379103LIGHT - IND 125 V (2)4WCI 080379095WCI 080104096WCI 080104127WCI 080379158WCI 080379059WCI 0803789111WCI 0803791112WCI 0803790113WCI 0803789914WCI 0803789815WCI 0803790016WCI 0803791617BUSING-CNTRL PNL GLASS18WCI 0801041019WCI 0803789020WCI 0803790421SCREW225303325991 Frigidaire Refrigerator Door Bar Endcap23WCI 0801286824AWCI 320059925WCI 0801042026WCI 0801061527WCI 0800891028IND. LITE-250 V (2)