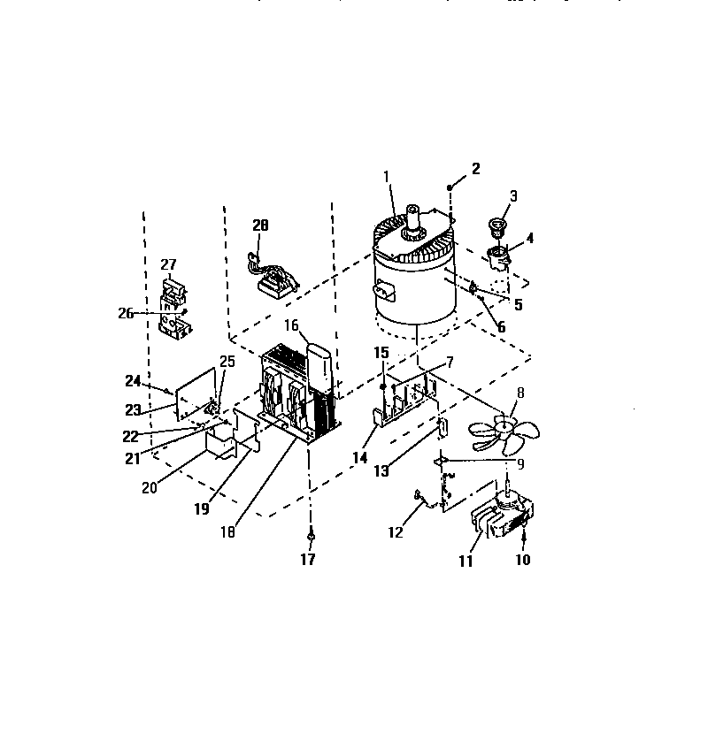
REM638MW8 11 – MICROWAVE OVEN MAGNETRON, TRANSFORMadmin2025-04-26T11:46:42+00:00REM638MW8 11 – MICROWAVE OVEN MAGNETRON, TRANSFORM ProductsPositionProduct*59290WCI 8012062*59288WCI 8010493*59289WCI 80104941WCI 80089172NUT-HEX 5 MILLIMETER (NON-ILLUSTRATED)4WCI 80120555WCI 80128626WCI 80089257WCI 80104928WCI 80089199WCI 801285811WCI 800892012WCI 801047313WCI 801047914BLOCK15WCI 801048116WCI 801048517SCREW-TRANSFORM (2)18WCI 801409619WCI 801048420WCI 801048321WCI 801206622SCREW-RET (NON-ILLUSTRATED)23WCI 801048924WCI 800892325TRIAC26WCI 801048827WCI 801048728TRANSFORMER-LOW VOLTAGE