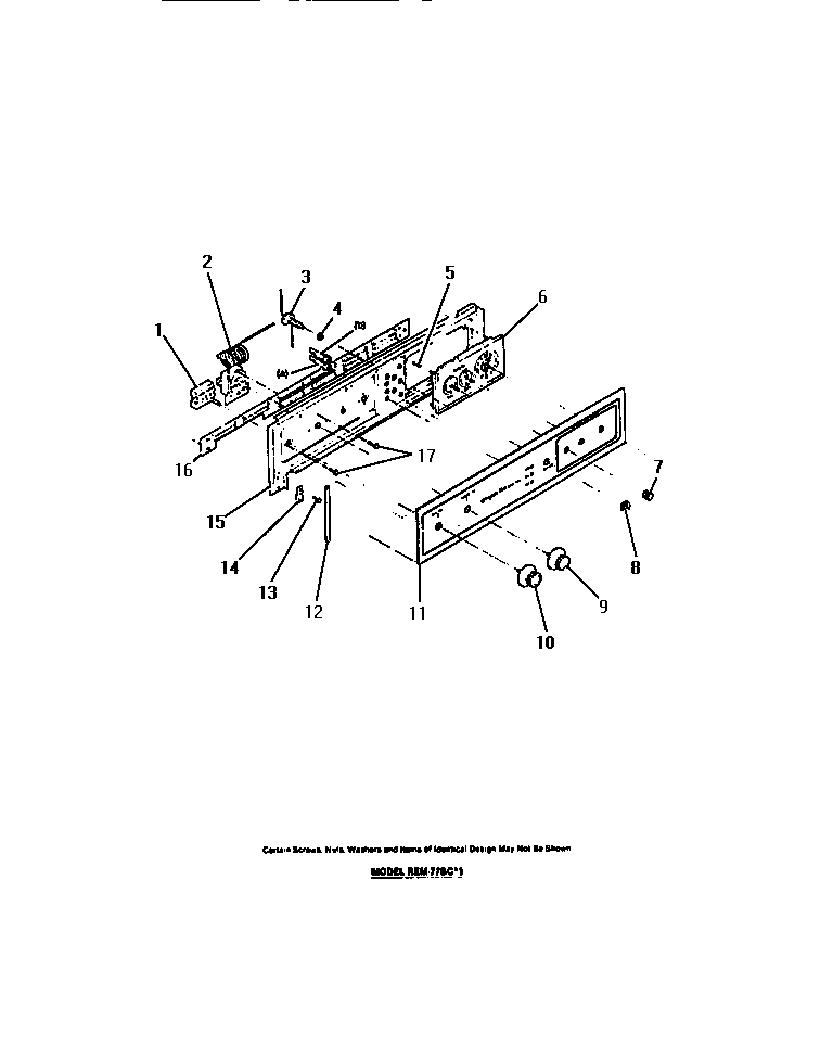
REM77BCB1 02 – CONTROL PANEL, COOK-MASTER, SWITCHEadmin2025-04-26T11:37:02+00:00REM77BCB1 02 – CONTROL PANEL, COOK-MASTER, SWITCHE ProductsPositionProduct1WCI 80104162WCI 80104173WCI 80143634WCI 80127735WCI 80120296COOKMASTER AND TIME SIGNAL7WCI 80104048WCI 80120309WCI 801204610WCI 801204711WCI 801447312WCI 801202713SCREW (2)14WCI 801203715WCI 801449016WCI 801450617WCI 801171018LIGHT, OVEN LOCK PILOT19LIGHT, LOCK PILOT, RED