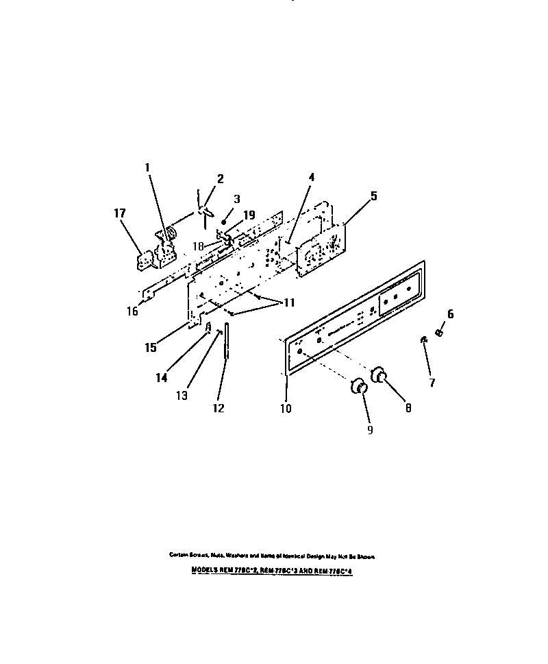
REM77BCB3 02 – CONTROL PANEL, COOK-MASTER, SWITCHEadmin2025-04-26T11:50:02+00:00REM77BCB3 02 – CONTROL PANEL, COOK-MASTER, SWITCHE ProductsPositionProduct1WCI 80104172WCI 80143633WCI 80127734NUT (4)5COOKMASTER AND TIME SIGNAL6WCI 80104047WCI 80120308WCI 80120469WCI 801204710WCI 801447311WCI 801277412WCI 801202713SCREW (2)14WCI 801203715WCI 801449016WCI 801450617WCI 801041618LIGHT, OVEN LOCK PILOT19LIGHT, LOCK PILOT, RED