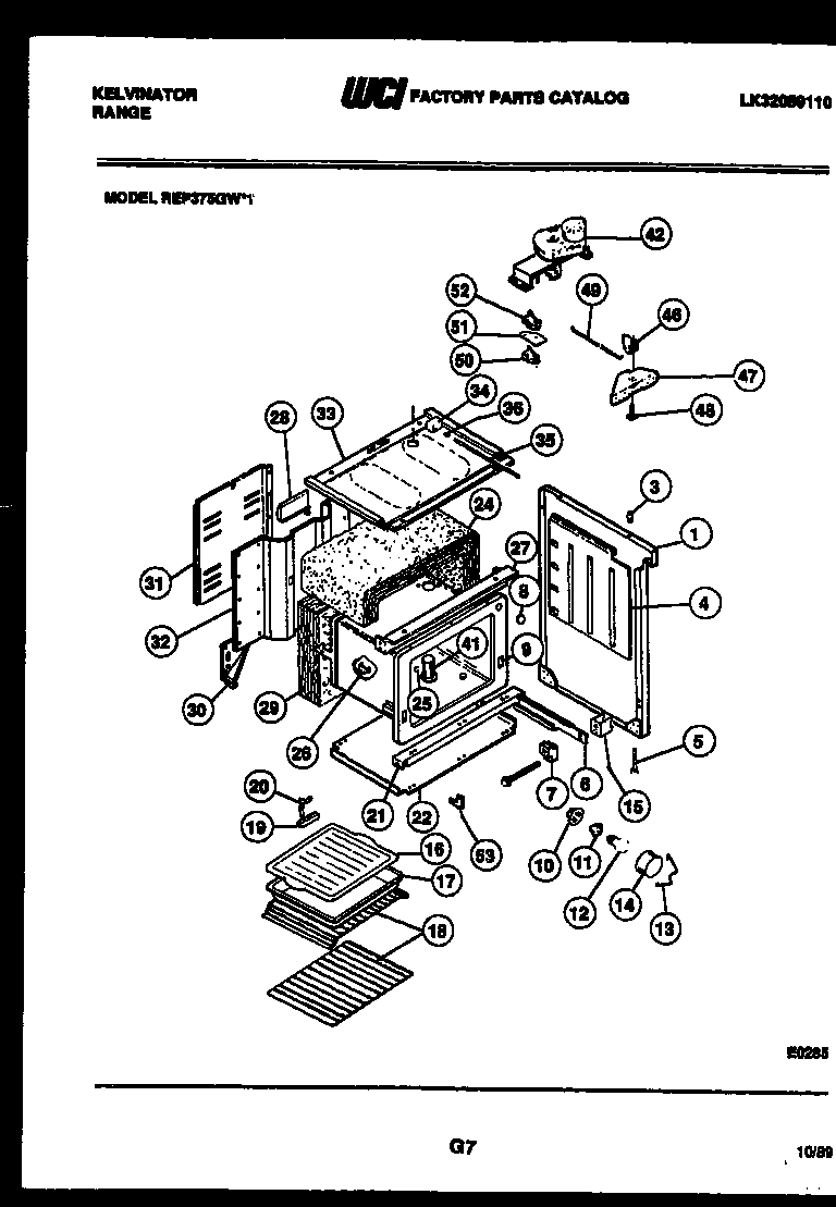
REP375GW1 06 – BODY PARTSadmin2025-04-26T11:50:36+00:00REP375GW1 06 – BODY PARTS ProductsPositionProduct*81253ANTI-TIP KIT, (NON-ILLUSTRATED)1AWCI 080125281WCI 080125273BUMPER - COOKTOP (4)4RETAINER, INSULATION (2)5LEG, LEVELLER (4)6WCI 080157466ARAIL, DRAWER LH7WCI 080031038WCI 30517849OVEN LINER10WCI 305151111316116400 Frigidaire Oven Light Socket12316538904 Frigidaire Oven Lamp Light13RETAINER - LENS145304524341 Frigidaire Lens15WCI 0801105516WCI 320523417WCI 320523218316067902 Frigidaire Oven Rack18ARACK-OFFSET195304409888 Frigidaire Oven Terminal Block with Hardware20WCI 0800314621CHANNEL - OVEN SUPPORT LOWER22WCI 320357424WCI 305162825PLUG BUTTON - THERMO BULB HOLE26BRACKET-THERMO BULB (2)27WCI K132563628WCI K513450129INSULATION-OVEN BACK30AWCI 301748230WCI 301748131COVER - WIRE32WCI 301753533AWCI 0800284733WCI 0801254234SWITCH - DOOR35ROD-SWITCH36WCI 0800744441TUBE-OVEN VENT42MOTOR-LATCH46LATCH-DOOR47HOUSING-DOOR LATCH48WCI 0800318449WCI 305164950WCI 300788951WCI 0800309052WCI 0800309253WCI 3051810