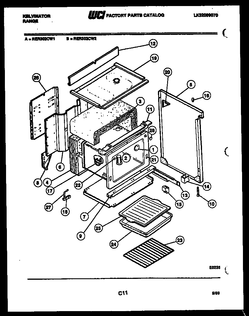
RER302CV1 07 – BODY PARTSadmin2025-04-26T11:36:33+00:00RER302CV1 07 – BODY PARTS ProductsPositionProduct1WCI 30175762WCI 080125413INSULATION, WRAP4INSULATION, BACK5AWCI K50246085WCI K50246076WCI 30175357WCI 30173948AWCI 30174828WCI 30174819CHANNEL, OV. SUPT.10LEG11CHANNEL-OVEN SUPT12WCI 301763313WCI 0801574613ARAIL, DRAWER LH14SPACER, RAIL15GUIDE16BUMPER17BRACKET THERM. BULB185304409888 Frigidaire Oven Terminal Block with Hardware19WCI 0801254220GUSSET, BACKGRD (2)21WCI K132553823316067902 Frigidaire Oven Rack24WCI K130348225WCI K130348126COVER - WIRE27STRAP-GROUND28WCI 3051784