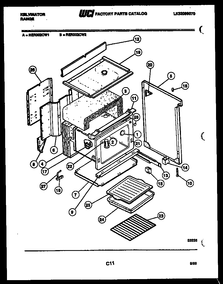
RER302CW2 07 – BODY PARTSadmin2025-04-26T11:51:44+00:00RER302CW2 07 – BODY PARTS ProductsPositionProduct*10351ANTI-TIP KIT, (NON-ILLUSTRATED)1WCI 30175762WCI 080125413INSULATION, WRAP4INSULATION, BACK5WCI K50246015AWCI 080125286WCI 30175357WCI 32035748AWCI 30174828WCI 30174819CHANNEL - OVEN SUPPORT LOWER10LEG, LEVELLER (4)11WCI 320092612WCI 301763313ARAIL, DRAWER LH13WCI 0801574614SPACER, RAIL15GUIDE16BUMPER17BRACKET THERM. BULB185304409888 Frigidaire Oven Terminal Block with Hardware19WCI 0801254220GUSSET, BACKGRD (2)21OVEN LINER23316067902 Frigidaire Oven Rack24WCI 320523225WCI 320523426COVER - WIRE27STRAP-GROUND28WCI 3051784