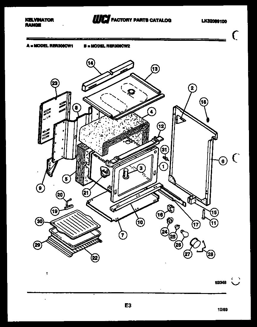
RER306CF1 07 – BODY PARTSadmin2025-04-26T11:50:01+00:00RER306CF1 07 – BODY PARTS ProductsPositionProduct1WCI K13255382GUSSET, BACKGRD (2)3WCI 080125414INSULATION - OVEN WRAP5INSULATION-OVEN BACK6WCI K50246066WCI K50246057PANEL-BOTTOM8WCI 30175359WCI 30174819WCI 301748210CHANNEL, OV. SUPT.11LEG12CHANNEL-OVEN SUPT13WCI 0801254214WCI 301763315SPACER, RAIL16GUIDE17WCI 0801574617WCI 0801574718BUMPER195304409888 Frigidaire Oven Terminal Block with Hardware20STRAP-GROUND21BRACKET THERM. BULB22316067902 Frigidaire Oven Rack23COVER - WIRE24CUP, OVEN LT25316116400 Frigidaire Oven Light Socket26316538904 Frigidaire Oven Lamp Light275304524341 Frigidaire Lens28WCI 08011087295304442087 Frigidaire Range Wall Oven Broil Pan and Insert30GRILLE, BROILER31WCI 3051531