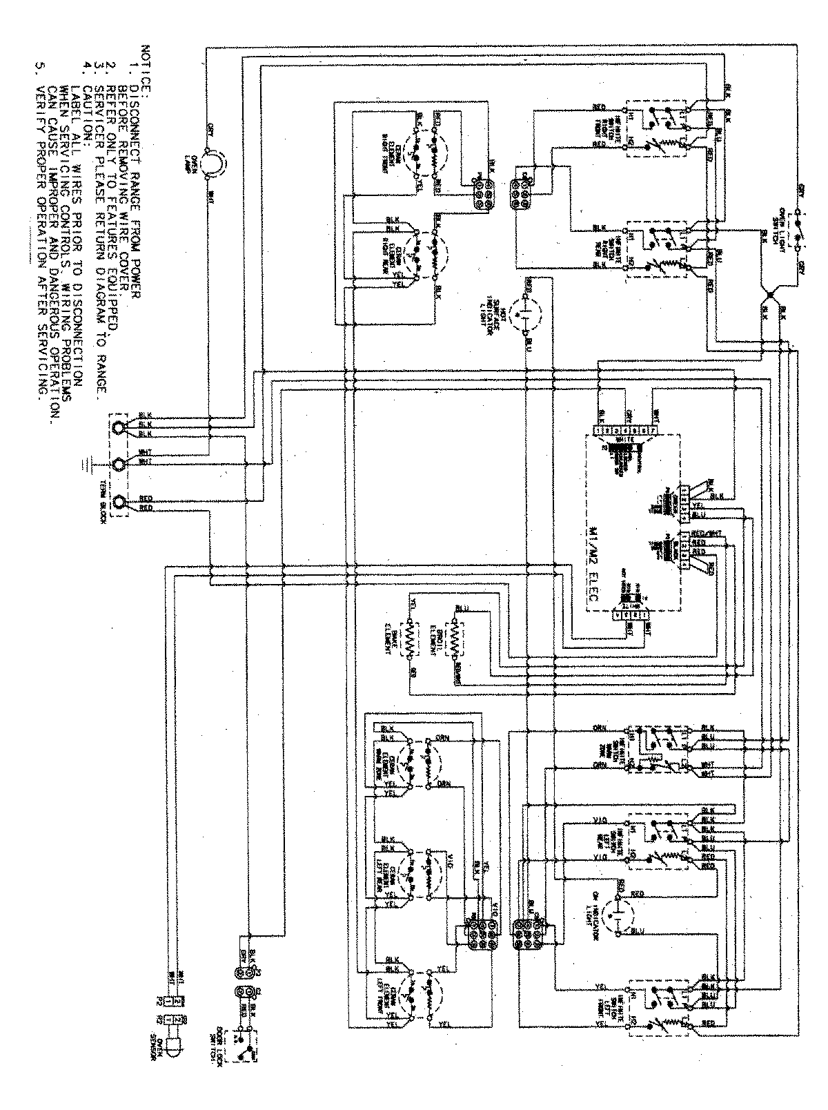
RESF3330DW 06 – WIRING INFORMATIONadmin2025-04-26T08:44:25+00:00RESF3330DW 06 – WIRING INFORMATION ProductsPositionProductNIMAY 15003581