REX6646AW1 02 – SECTION

REX6646AW1 02 – SECTION

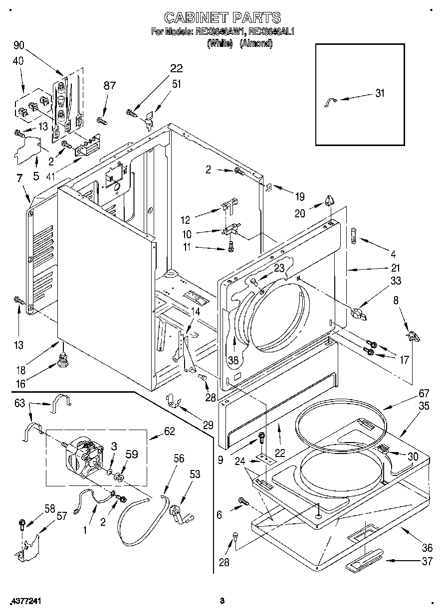
Products

PositionProduct
1Wire, Ground (Motor)
3WP3393657 Whirlpool Belt Retainer
4Spring, Door (2)
5W11539855 Whirlpool Refrigerator Pump
6WP694091 Whirlpool Screw
7280043 Whirlpool Rear Panel
8WP3388229 Whirlpool Dryer Spring Clip
9WP308685 Whirlpool Microwave Screw
10W10820036 Whirlpool Door Switch Kit
11WP98129 Whirlpool Screw
12WP691581 Whirlpool Actuator
13WP489069 Whirlpool Compactor Screw
14Hinge, R.H.
14Hinge, L.H.
1649621 Whirlpool Leveling Feet
17Screw, 10-32 x 1/2
18Cabinet (Includes Illus. Nos. 5, 7, 15, 16, 41, & 57) (Almond)
18Cabinet (Includes Illus. Nos. 5, 7, 15, 16 & 57) (White)
19WP98234 Whirlpool Nut
20WP18776 Whirlpool Lock
21Front Panel Assembly (White)
21Front Panel Assembly (Almond)
22Panel, Toe (Almond)
22Panel, Toe (White)
23279220 Whirlpool Clip
24W11252547 Whirlpool Clip Assembly
28238614 Whirlpool Bumper Hinge
29WP297092 Whirlpool Clip
30279570 Whirlpool Dryer Door Latch Kit
318528351 Whirlpool Clip
35Door, Rear
36Door, Front (White)
36Door, Front (Almond)
37WP348721 Whirlpool Handle
37Handle, Door (Almond)
38279264 Whirlpool Bearing and Seal Kit
40279393 Whirlpool Terminal Block Screw and Nut Kit
41279320 Whirlpool Dryer Rear Terminal Block Kit
51WP8066217 Whirlpool Hinge
53WP691366 Whirlpool Dryer Idler Pulley Assembly
56341241 Whirlpool Dryer Drum Belt
57WP348780 Whirlpool Base
583400500 Whirlpool Screw
59WP8066184 Whirlpool Dryer Motor Pulley
62279827 Whirlpool Dryer Drive Motor
63WP660658 Whirlpool Clamp
67WP3390733 Whirlpool Door Seal Assembly
87W10850756 Whirlpool Screw
90279318 Whirlpool Terminal