RF3000XVW2 03 – CONTROL PANELadmin2025-04-26T12:52:53+00:00RF3000XVW2 03 – CONTROL PANEL
Products
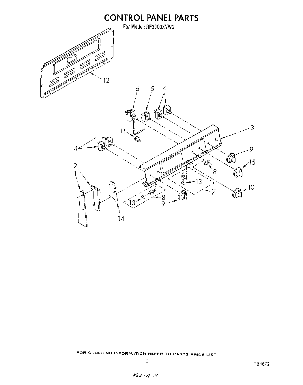
| Position | Product |
|---|
| WP313808 Whirlpool Screw |
| 1 | Screw 10-32x7/16`` |
| 1 | WP3390631 Whirlpool Screw |
| 1 | Screw 10-32x1`` |
| 2 | End Cap R.H. |
| 2 | End Cap L.H. |
| 2 | Screw, |
| 3 | Panel, Control (White) |
| 3 | Washer |
| 3 | Panel, Control (Almond) |
| 4 | WP3149404 Whirlpool Oven Surface Element Switch |
| 4 | SWITCH-INF |
| 5 | WP486579 Whirlpool Air Conditioner Screw |
| 5 | Switch, Selector |
| 6 | Thermostat, Oven |
| 6 | Thermostat, Oven (Alt.) |
| 6 | Thermostat, Oven (Alt.) |
| 7 | Light, Indicator (250V) |
| 8 | Light, Indicator (Surface Unit (2)) |
| 9 | WP3149983 Whirlpool Knob |
| 10 | Knob, Temperature |
| 11 | Clip, Tube |
| 12 | Harness-Conduit Asm. |
| 12 | SCREW |
| 13 | Lens, Amber |
| 14 | WP965173 Whirlpool Dishwasher Screw |
| 14 | Shield (2) |
| 15 | Knob, Selector |