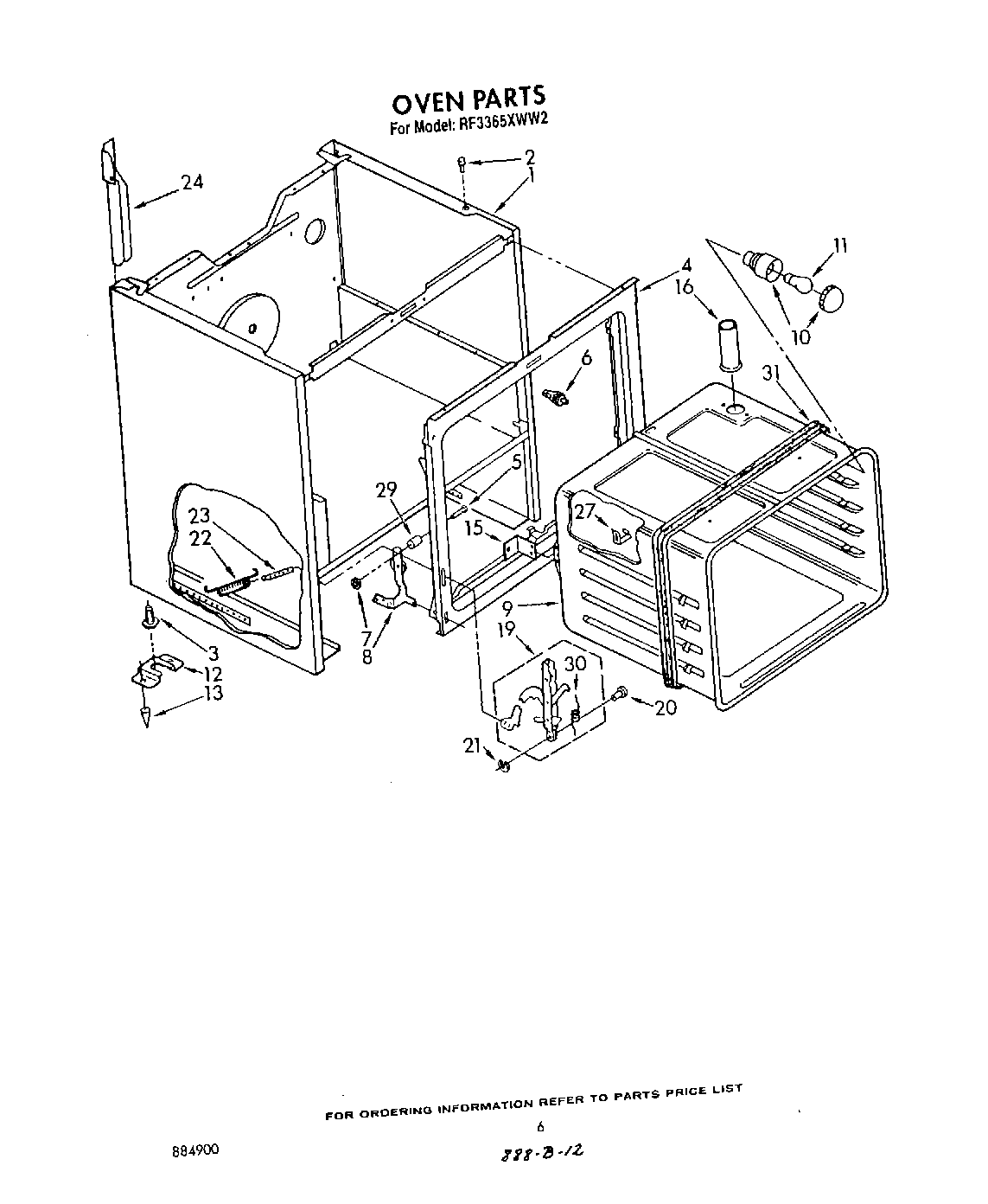
| 1 | Main Chassis (White) |
| 1 | Main Chassis (Almond) |
| 2 | 238614 Whirlpool Bumper Hinge |
| 3 | WPW10058460 Whirlpool Appliance Levelling Leg |
| 4 | Frame, Front |
| 4 | Screw (Top) |
| 5 | Pin, Hinge Ear (2) |
| 6 | Switch, Door |
| 7 | Pushnut (2) |
| 8 | Hinge (R.H.) |
| 8 | Hinge (L.H.) |
| 9 | Oven 30`` (Continuous Clean) |
| 9 | Screw (3) |
| 10 | W11594027 Whirlpool Range Oven Light Socket |
| 11 | RANGE ONLY 40W 120V APPL BULB |
| 12 | Screw |
| 12 | 8273888A Whirlpool Range Oven Anchor Anti-Tip Bracket Kit |
| 13 | Anchor, Plastic |
| 15 | Bracket, Oven (Mounting) |
| 16 | Screw, 10A x 1/2 (2) (Black) |
| 16 | Vent, Oven |
| 19 | Channel, Arm (2) |
| 20 | WP307986 Whirlpool Hinge Pin |
| 21 | Retainer Ring (2) |
| 22 | Spring, Oven Door (2) |
| 23 | WP308125 Whirlpool Microwave Range/Cooktop Anchor |
| 24 | Wire Cover |
| 24 | Wire Cover-Controls (Right) |
| 24 | SCREW |
| 27 | 98005642 Whirlpool Clip |
| 29 | Snubber, Door (2) |
| 30 | Spring, Door Stop |
| 31 | Heat Seal |