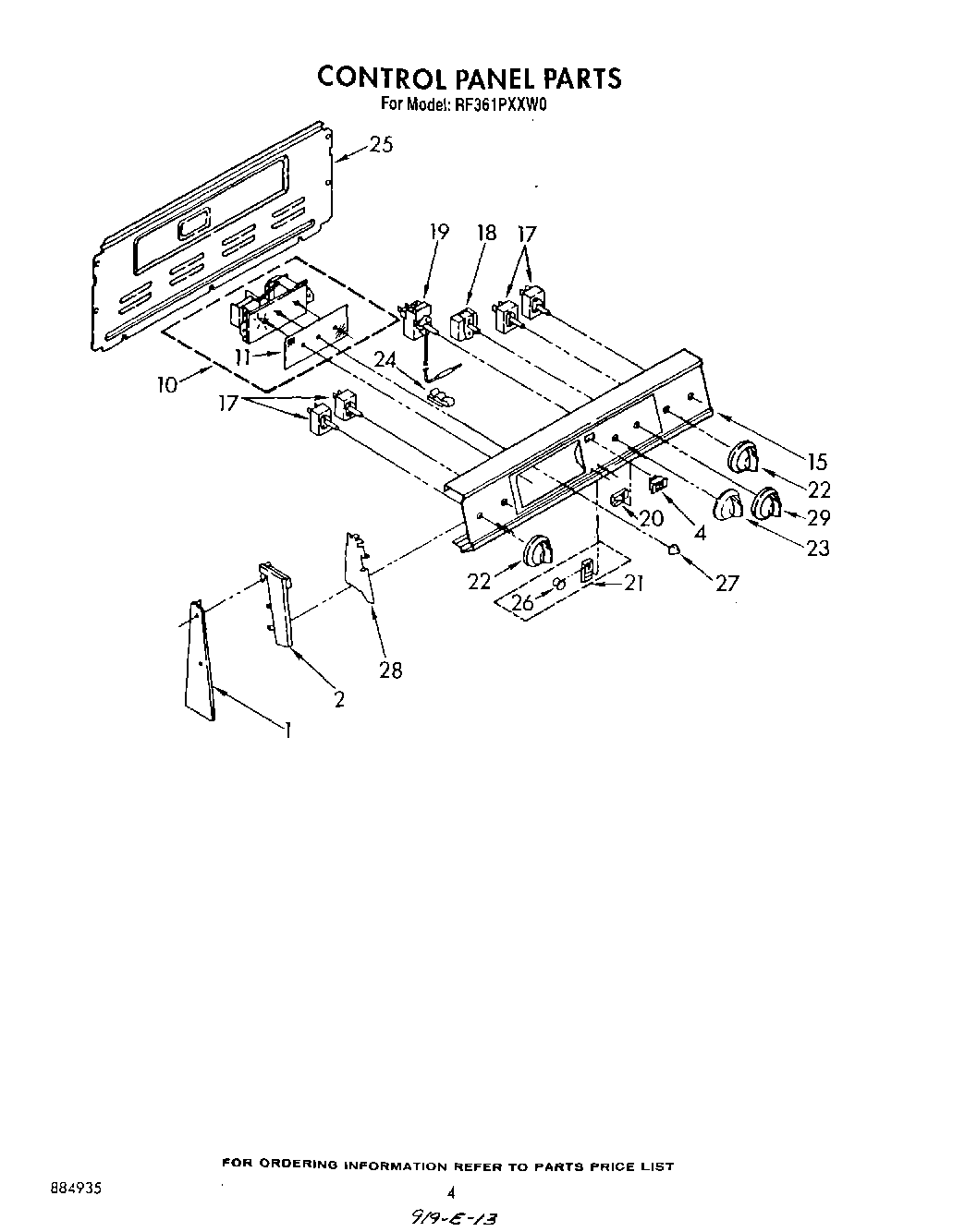
RF361PXXW0 03 – CONTROL PANEL