| 1 | Main Chassis (White) |
| 1 | Main Chassis (Almond) |
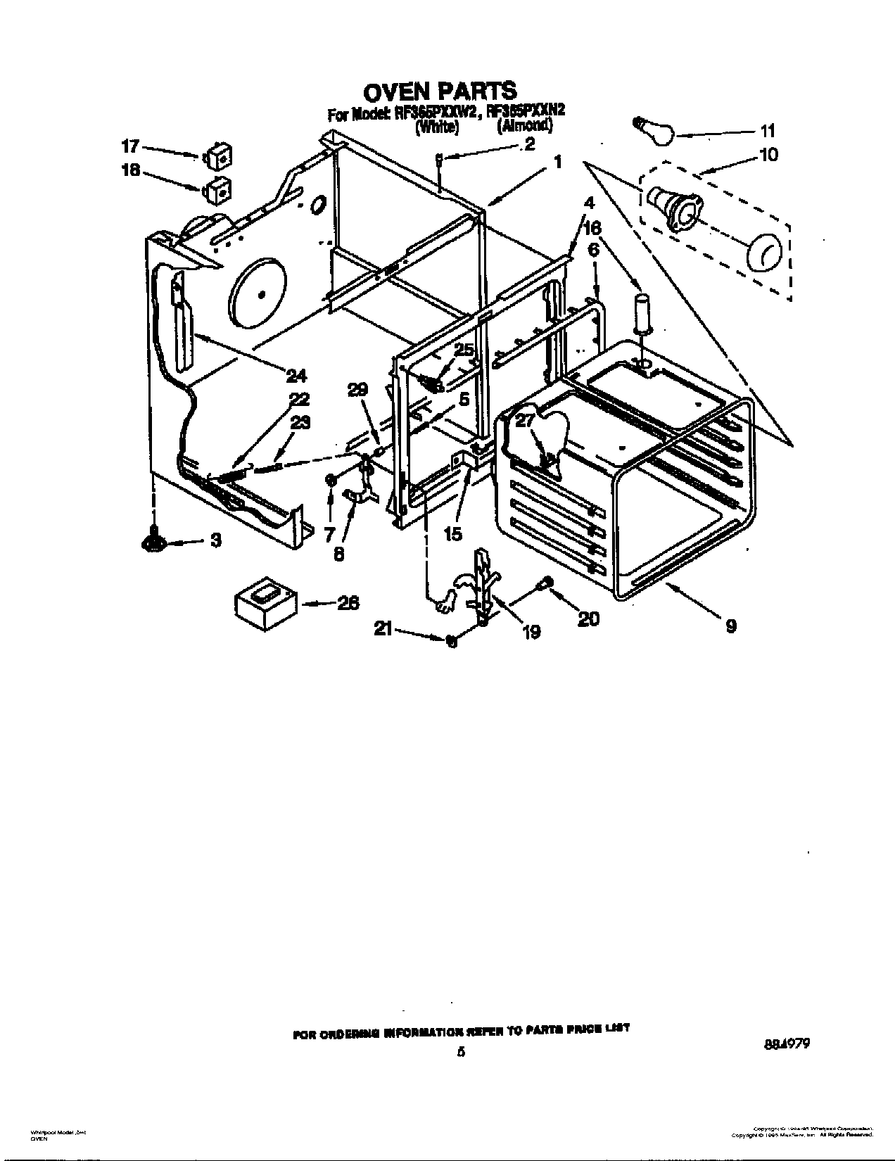
| 2 | 238614 Whirlpool Bumper Hinge |
| 3 | WPW10058460 Whirlpool Appliance Levelling Leg |
| 4 | Frame, Front |
| 5 | Pin, Hinge Ear (2) |
| 6 | Seal, Door |
| 7 | Pushnut (2) |
| 8 | Hinge (L.H.) |
| 8 | Hinge (R.H.) |
| 9 | Oven (30`` Pyro) |
| 9 | Screw (Top) |
| 9 | Screw (3) |
| 10 | W11594027 Whirlpool Range Oven Light Socket |
| 11 | RANGE ONLY 40W 120V APPL BULB |
| 15 | Bracket, Oven (Mounting) |
| 16 | 9755804 Whirlpool Oven Vent Tube |
| 16 | Screw, 10A x 1/2 (2) (Black) |
| 17 | Sw |
| 18 | Switch, Bake |
| 19 | Channel, Arm (2) |
| 20 | WP307986 Whirlpool Hinge Pin |
| 21 | Retainer Ring (2) |
| 22 | WP308126 Whirlpool Door Spring |
| 23 | WP308125 Whirlpool Microwave Range/Cooktop Anchor |
| 24 | Wire Cover |
| 24 | SCREW |
| 24 | Wire Cover-Controls (Right) |
| 25 | Switch, Door |
| 26 | 340184 Whirlpool Screw |
| 26 | Block, Balance |
| 27 | 98005642 Whirlpool Clip |
| 29 | WPL 3169093 |
| 29 | WPL 3169094 |
| 29 | Snubber, Door (2) |
| 29 | 8273888A Whirlpool Range Oven Anchor Anti-Tip Bracket Kit |