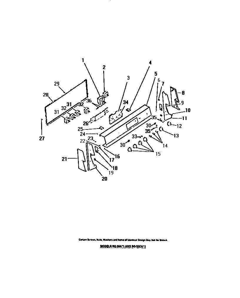
RG35AA1 06 – CONTROL PANEL, CONTROLS