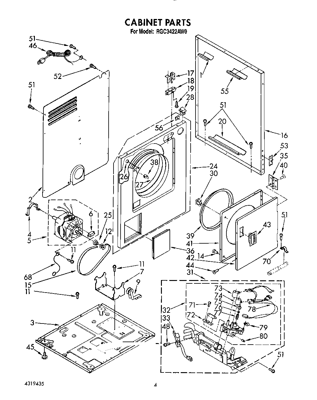
RGC3422AL0 03 – CABINET

RGC3422AL0 03 – CABINET

Products

PositionProduct
1WPL 686768
2Panel, Rear
3WP348726 Whirlpool Base Assembly
4WP660658 Whirlpool Clamp
6279827 Whirlpool Dryer Drive Motor
7696541 Whirlpool Base
9WP691366 Whirlpool Dryer Idler Pulley Assembly
11WP3390631 Whirlpool Screw
12W10837625 Whirlpool Dryer Motor Pulley
14238614 Whirlpool Bumper Hinge
153394652 Whirlpool Drum Belt
16Panel, Side (White)
16Panel, Side (Almond)
17WP691581 Whirlpool Actuator
18W10820036 Whirlpool Door Switch Kit
19WP98129 Whirlpool Screw
20Protector, Support (11 1/2 ``)
24Front Panel (Almond (When Ordering Any Of The Above Panels, Key No. 31, Must Also Be Ordered.))
24Front Panel (White)
25WP3393657 Whirlpool Belt Retainer
26279220 Whirlpool Clip
27279264 Whirlpool Bearing and Seal Kit
28WP345670 Whirlpool Lock
30WP3389441 Whirlpool Door Catch
31Burner, Complete (Refer to Page 7 For Further Burner Breakdown)
32279923 Whirlpool Gas Valve
33279311 Whirlpool Dryer Flat Igniter with Bracket
35WP348023 Whirlpool Hinge
36Door, Access (Almond)
36Door, Access (White)
38279570 Whirlpool Dryer Door Latch Kit
39W11613302 Whirlpool Door Seal
41Door, Rear
42Door, Front (White)
42Door, Front (Almond)
43Handle, Door (Almond)
43WP3405184 Whirlpool White Door Handle
44WP694091 Whirlpool Screw
45WP233550 Whirlpool Leveling Feet
46Cord, Power
48WPW10366705 Whirlpool Screw
51SCREW
53W10854425 Whirlpool Dryer Front Panel Bottom Mounting Clip
55686770 Whirlpool Support Bracket
56WP98234 Whirlpool Nut
68Wire, Ground
70341029 Whirlpool Clamp
71694421 Whirlpool Screw Assembly
72694538 Whirlpool Bracket
74279834 Whirlpool Dryer Gas Valve Solenoid Coil Kit
75WP694424 Whirlpool Limiter
76WP694423 Whirlpool Regulator
77WP694422 Whirlpool Spring
78WP3401850 Whirlpool Wire Harness
79WPL 694510
80W10295523 Whirlpool Plug