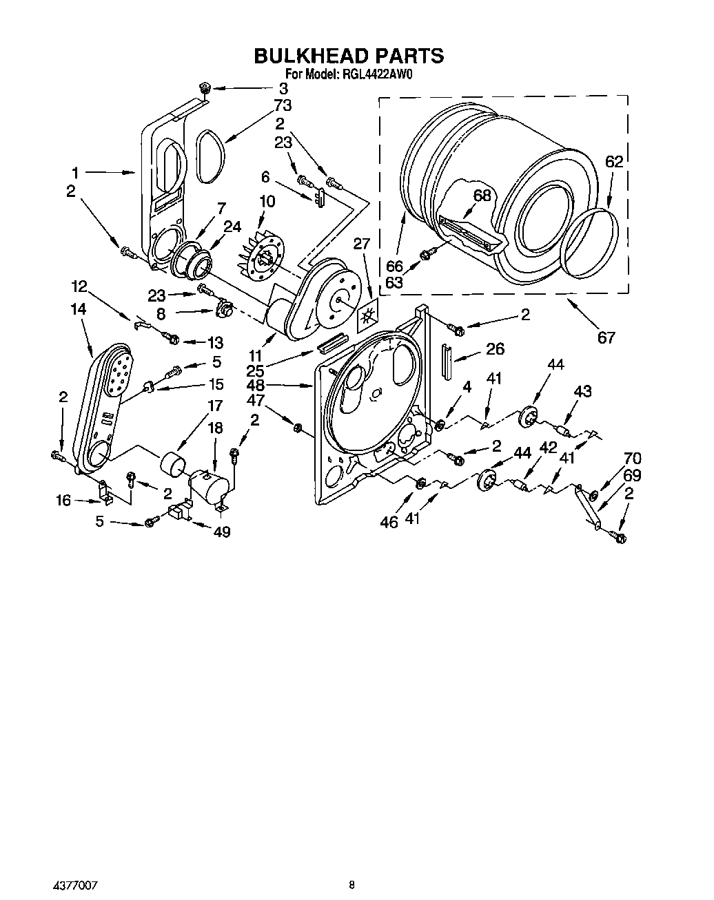
RGL4422AL0 05 – BULKHEAD