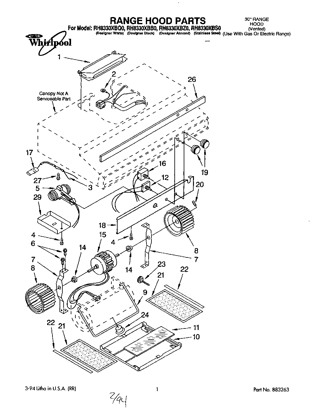
RH8330XBQ0 01 – SECTION