| RANGE ONLY 40W 120V APPL BULB |
| Order Blank, Filter |
| Instructions, Installation & Operating |
| Wiring Diagram |
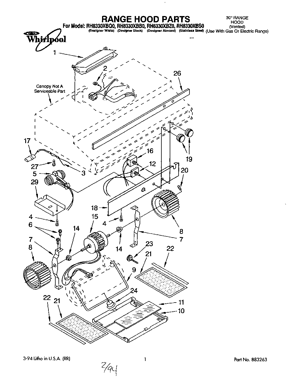
| 1 | Damper |
| 2 | Wiring Assy. |
| 3 | Wire-Diode Assy. |
| 4 | WP489069 Whirlpool Compactor Screw |
| 5 | Lampholder, Double (Snap-In) |
| 6 | WP90767 Whirlpool Screw |
| 7 | Motor Bracket (2) |
| 8 | Blower Wheel, R.S. (Includes Illus. 20) |
| 8 | Vent Cover, Ductless |
| 9 | Rod, Retaining |
| 10 | Cover, Blower (Black) |
| 10 | Cover, Blower (Platinum) |
| 10 | Cover, Blower (White) |
| 10 | Cover, Blower (Almond) |
| 11 | Lens Light |
| 12 | Switch, Light (Includes 90825 Hex Nut) |
| 14 | Motor Mount, Rubber (2) |
| 15 | Motor, Blower |
| 16 | Switch, Fan Motor |
| 17 | Wire Splice |
| 18 | Cover, Switch Box (Black) |
| 18 | Cover, Switch Box (Almond) |
| 18 | Cover, Switch Box (White) |
| 18 | Cover, Switch Box |
| 19 | Knob, Control (2) (Stainless Model) |
| 19 | Knob, Control (2) (Black Model) |
| 19 | Knob, Control (2) (Almond Model) |
| 20 | Setscrew |
| 21 | Filter, Grease (2) |
| 22 | Support, Filter |
| 23 | Screw, Thumb (3) |
| 24 | Bushing, Split |
| 26 | Nameplate, 30`` (Almond) |
| 26 | Nameplate, 30`` (Gray) |
| 26 | Nameplate, 30`` (Black) |
| 26 | Nameplate, 30`` (White) |
| 27 | Screw, Ground |
| 29 | Cover, Wiring Box |