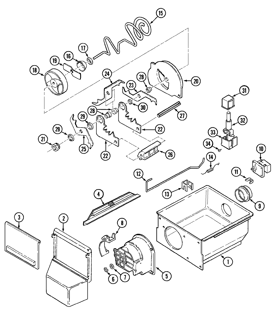
RISBS560N 08 – ICE CRUSHER & BINadmin2025-04-26T08:53:29+00:00RISBS560N 08 – ICE CRUSHER & BIN ProductsPositionProduct1MAY 610013382MAY 610013393MAY 610013404MAY 610013654MAY 400026-365MAY 69756-16MAY 69704-17489234 Whirlpool Refrigerator Washer8MAY 69718-19WP61003336 Whirlpool Refrigerator Drive Ring10MAY 70122-110MAY 69733-211WP63052-2 Whirlpool Refrigerator Impeller12MAY 6100134113MAY 69716-114MAY 69717-115MAY 6100134216MAY 69699-117MAY 69698-118MAY 70036-119MAY 69755-120MAY 69701-121MAY 69709-122MAY 69706-123MAY 69702-124MAY 69702-225MAY 69702-326MAY 69708-127MAY 69705-128MAY 69697-129MAY 69696-130MAY 69696-231MAY 406026-10331MAY 69730-232MAY 72353-5033MAY 69715-134MAY 400015-36