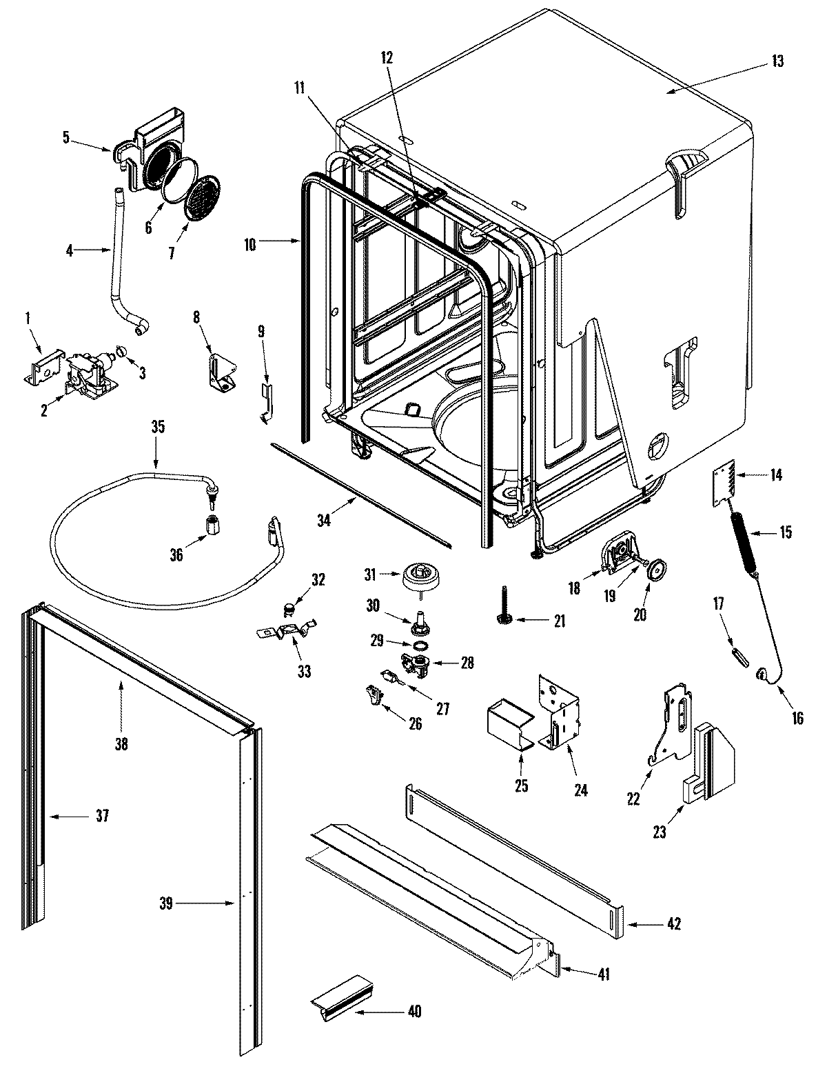
RJDW2480B 05 – TUB