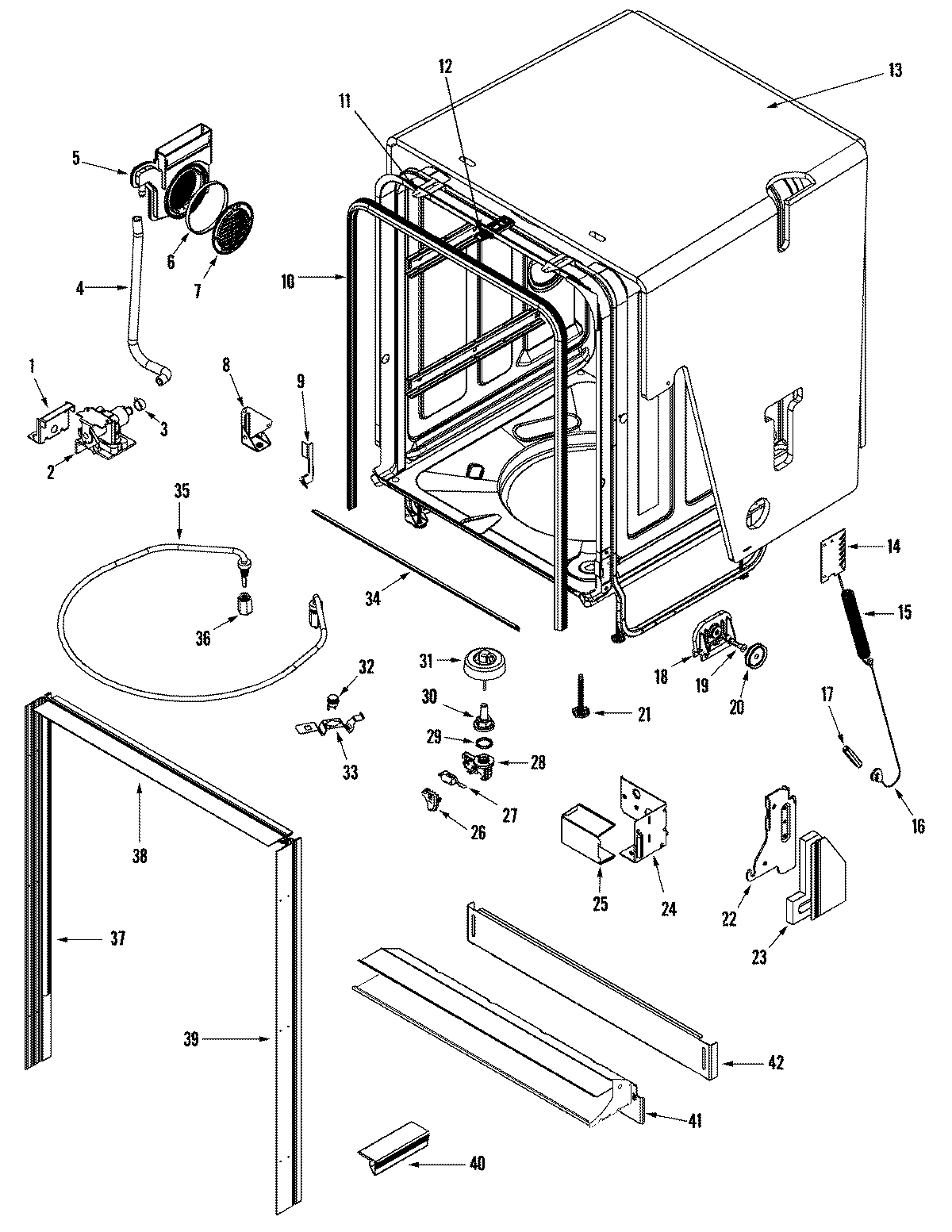
RJDW2481B 05 – TUB