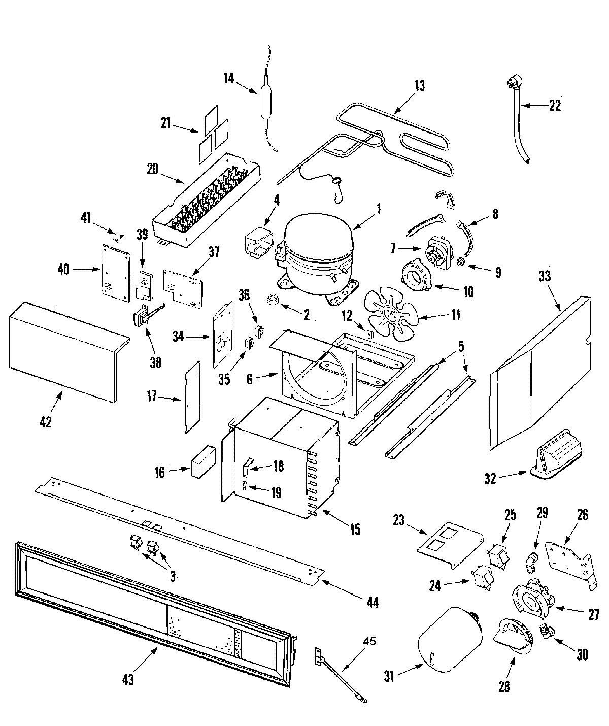
RJRS4282A 02 – COMPRESSOR